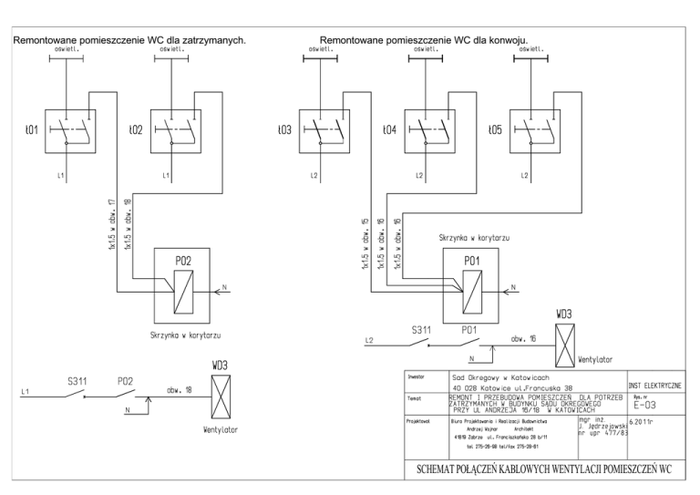
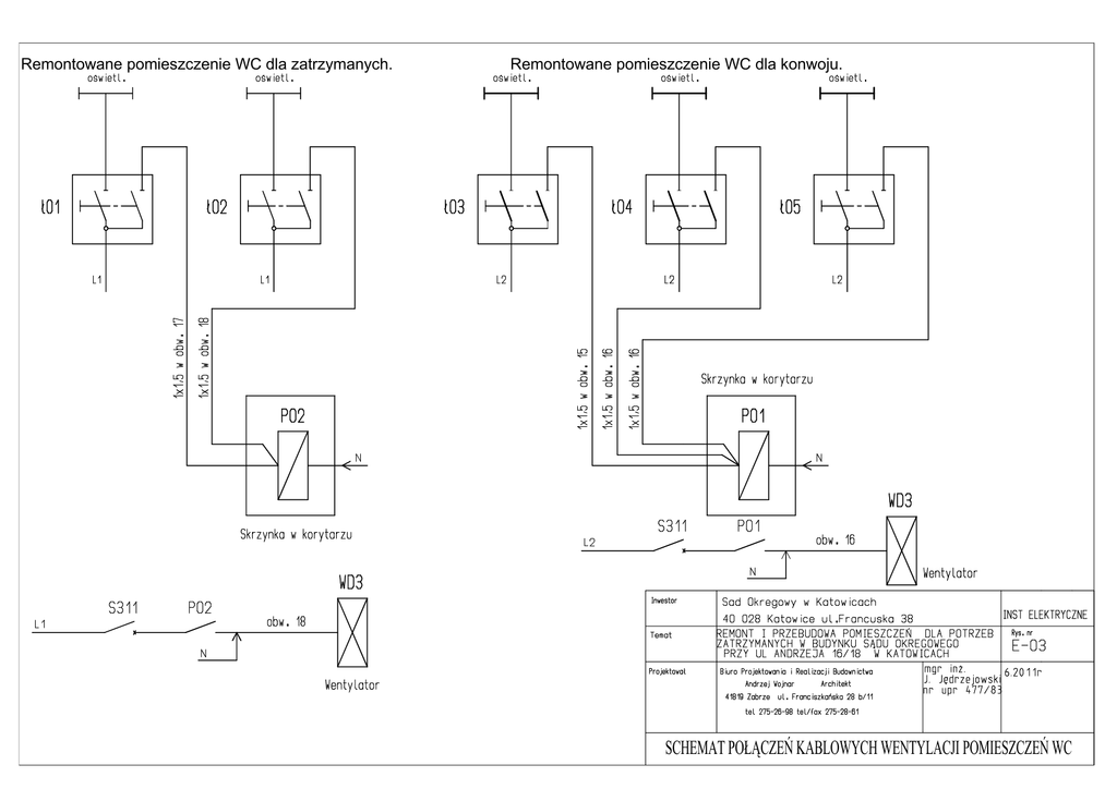
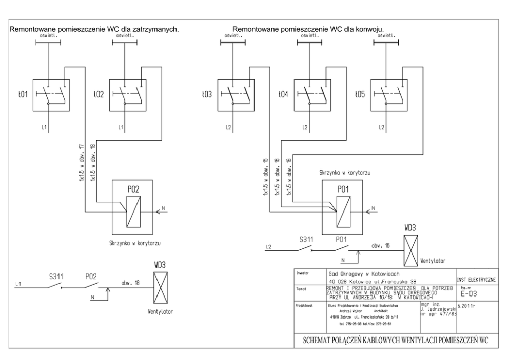
schemat połączeń kablowych wentylacji pomieszczeń wc

Transkrypt

schemat połączeń kablowych wentylacji pomieszczeń wc
Remontowane pomieszczenie WC dla zatrzymanych.
Remontowane pomieszczenie WC dla konwoju.
SCHEMAT POŁĄCZEŃ KABLOWYCH WENTYLACJI POMIESZCZEŃ WC