schemat układu pomiarowego

Transkrypt

schemat układu pomiarowego
N7
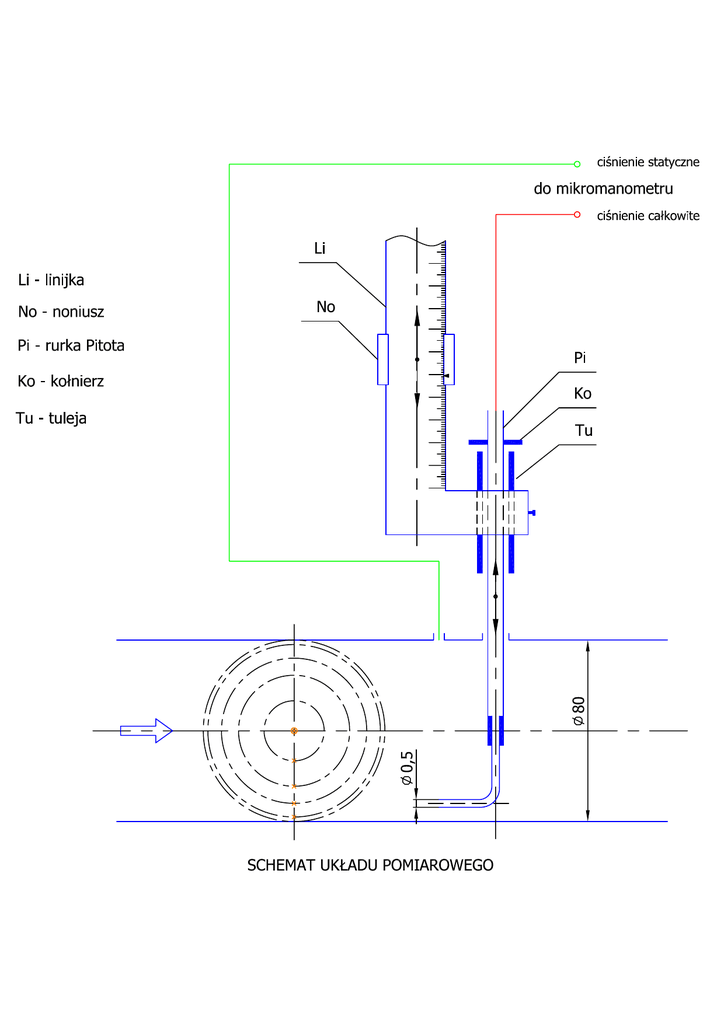
1. Rurka Pitota Pi jest umieszczona suwliwie w tulei Tu przykręconej do szczęki
suwmiarki. Zabezpiecza to Pi przed zniszczeniem w wypadku nadmiernego przesunięcia
linijki Li w dół. Należy więc uważać na to, aby w położeniu pomiarowym, kołnierz Ko
przylegał do tulei a głowica pomiarowa była równoległa do osi rury.
2. Położenie rurki Pi względem ściany rury «80 musi być jednoznacznie określone.
Głowicę (nos) rurki Pitota ustawiono więc w ten sposób, że po zetknięciu jej ze ścianą
rury nastawiono na linijce Li suwmiarki wartość 66,75 mm. Rurka Pi jest wtedy odległa
od ściany rury o 0,25 mm i po przesunięciu jej w górę o 0,75 mm znajdzie się w
pierwszym położeniu pomiarowym ( 66,0 mm na linijce), gdyż pierwszy pomiar można
wykonać w odległości nie mniejszej od 2. średnic głowicy pomiarowej (« 0,5) od ściany
rury.
Rurka Pi jest chroniona przed zniszczeniem przez zblokowanie linijki na wartości nieco
większej od 66 mm, ale mniejszej od 66,75 mm.
3. Pierwsze 4 pomiary przeprowadzić w miejscach odległych od siebie o 1 mm
(na linijce Li nastawiać kolejno: 66,0 mm, ..., 63,0 mm), następne 4 pomiary należy
wykonać w odstępach co 1,5 mm (rurka w położeniu 61,5 mm, ..., 57,0 mm), kolejnych 8
pomiarów trzeba przeprowadzić przesuwając głowicę pomiarową krokiem równym 2 mm
(nastawy: 55,0 mm, ..., 41,0 mm), wreszcie 5 pomiarów co 3 mm (na linijce: 38,0 mm, ...,
26,0 mm).
Podczas przesuwania linijki Li nie wolno naciskać na rurkę Pi. Linijkę przesuwać
posługując się śrubą z gwintem drobnozwojowym oraz specjalną podkładką (kostka
10x20x30 mm).
4.Na rysunku zaznaczono, znakami µ, 4. punkty, w których potrzebne są wartości prędkości
miejscowych konieczne do obliczenia prędkości średniej w rurze ze wzoru (v1+...+v4)/4.
Wynikają one z podziału koła na cztery pierścienie o równych polach. W miejscach
oznaczonych µ leżą średnie prędkości w każdym z tych pól. Norma wymaga, poza tym,
znajomości prędkości w punkcie ≈ (oś), chociaż nie jest ona potrzebna do obliczeń.
Względne promienie, na których leżą punkty µ zawiera norma i podane są w tablicy
Względne promienie podziałowe.
Względne promienie podziałowe
i
ri
ccccccc
Dê2
1
0, 331
2
0, 612
3
0, 800
ri
ccccccccccc
D ê2
4
0, 950
Pomiar ciśnienia dynamicznego i statycznego
Ciśnienie dynamiczne, potrzebne do obliczenia prędkości miejscowych, jest mierzone za
pomocą specjalnego mikromanometru z dwoma rurkami pochyłymi. Rurki te, połączone
ze zbiornikiem, tworzą układ trzech naczyń połączonych zawierających spirytus jako
ciecz manometryczną.
Pomiar ciśnienia dynamicznego trzeba przeprowadzić następująco:
1.Ustalić położenie głowicy pomiarowej rurki Pitota przesuwając linijkę suwmiarki do
położenia przewidzianego w planie doświadczenia.
2.Sprawdzić czy mikromanometr jest wypoziomowany i, jeśli potrzeba, skorygować
położenie jego podstawy za pomocą odpowiednich śrub.
3.Obserwować położenie wyższego menisku spirytusu, a po uznaniu że zajął on położenie
ostateczne, delikatnie przesunąć linijkę tak, aby zero jej podziałki znalazło się dokładnie
na dnie menisku w ramieniu mikromanometru odbierającym ciśnienie całkowite.
4.Ponownie skontrolować położenie podstawy mikromanometru a następnie odczytać, i
zapisać w protokole, długość słupa cieczy odpowiadającą ciśnieniu dynamicznemu.
Uwaga
Ruch jest turbulentny, dlatego zawsze występują wahania poziomu spirytusu w
manometrze (widoczne w rurce ciśnienia statycznego). Wahania te nie są okresowe i
charakteryzują się tym, że poza małymi drganiami powierzchni spirytusu w rurce,
pojawiają się większe jej wychylenia względem poziomu średniego spowodowane
występowaniem przypadkowych dużych struktur wirowych. Dlatego
za wartość
miarodajną trzeba uznać średnie położenie pośród małych, szybkozmiennych, wahań
powierzchni cieczy w rurce manometrycznej. W związku z tym, po ustawieniu i korekcji
wypoziomowania podstawy mikromanometru, trzeba obserwować ciecz w rurce i na tej
podstawie ocenić, czy zajęła ona już położenie pomiarowe.
Jeśli zatem obserwowana powierzchnia przestanie stale podnosić się, albo opadać, i
zacznie wahać się, to należy przystąpić do wykonania odczytu wyniku pomiaru. Właściwa
ocena położenia pomiarowego wymaga jeszcze obserwacji
powierzchni cieczy
manometrycznej przez około 1. minutę.
Ciśnienie statyczne jest potrzebne do obliczenia gęstości powietrza w rurze. Jego wartość
może być obliczona na podstawie pomiaru ciśnienia barometrycznego i podciśnienia w
przekroju pomiarowym rury.
Podciśnienie w rurze jest mierzone za pomocą manometru dwuramiennego, z jednej
strony połączonego z atmosferą, z drugiej zaś z króćcem ciśnienia statycznego. Ponieważ
manometr jest wypełniany wodą, producent wykonał podziałkę pozwalającą na
odczytywanie podciśnienia od razu w paskalach. Nie trzeba zatem mierzyć wysokości
podciśnienia, aby następnie przeliczać je na podciśnienie, jak to zwykle bywa przy
posługiwaniu się manometrami hydrostatycznymi.
Zwróćmy uwagę, że – w przeciwieństwie do ciśnienia dynamicznego – niedokładność
pomiaru podciśnienia w rurze mało wpłynie na ostateczny wynik pomiaru. Jest tutaj tak
dlatego, że wartość podciśnienia odniesiona do ciśnienia barometrycznego jest dużo
mniejsza od jedności i nawet całkowite jego nieuwzględnienie nie spowoduje widocznych
błędów w obliczeniu gęstości powietrza wewnątrz rury.