maszyny flotacyjne typu if-skimmer

Transkrypt

maszyny flotacyjne typu if-skimmer
MASZYNY FLOTACYJNE TYPU IF-SKIMMER
Urządzenie do flotacji szybkiej
A
2
6
C
7
3
4
10
1
5
Odpad
8
B
3
Koncentrat
Nadawa
Odpad
4
9
Odpad
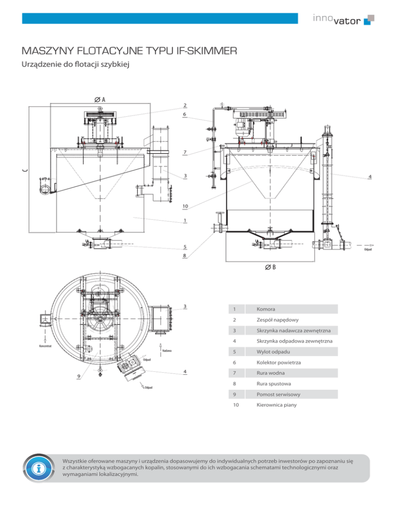
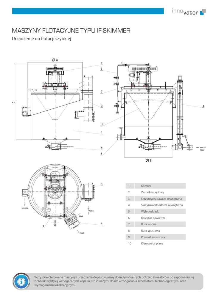
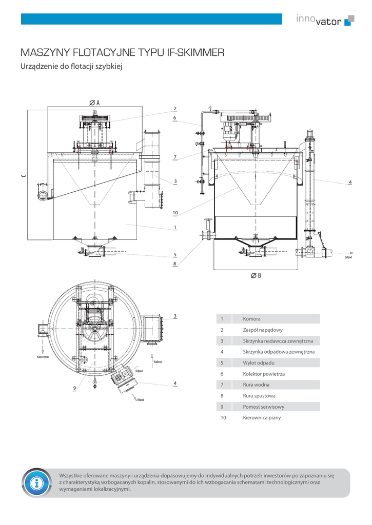
1
Komora
2
Zespół napędowy
3
Skrzynka nadawcza zewnętrzna
4
Skrzynka odpadowa zewnętrzna
5
Wylot odpadu
6
Kolektor powietrza
7
Rura wodna
8
Rura spustowa
9
Pomost serwisowy
10
Kierownica piany
Wszystkie oferowane maszyny i urządzenia dopasowujemy do indywidualnych potrzeb inwestorów po zapoznaniu się
z charakterystyką wzbogacanych kopalin, stosowanymi do ich wzbogacania schematami technologicznymi oraz
wymaganiami lokalizacyjnymi.
www.innovator.com.pl
PARAMETRY TECHNOLOGICZNO-TECHNICZNE
IF-9S
IF19S
IF-25
øA
2900
3670
4100
øB
2300
2960
3640
C
3640
4840
5370
15
30*
45*
6
13
25
60
90
<90
MODEL MASZYNY
Wymiary gabarytowe [mm]
Moc znamionowa silnika elektrycznego [kW]
Objętość użyteczna komory
Maksymalne natężenie przepływu powietrza technologicznego[Nm3/h]
Ciśnienie powietrza technologicznego [Mpa]
0,04 - 0,06
Ciśnienie powietrza sprężonego w systemie automatyki [MPa]
0,30 - 0,60
Ciężar całkowity [kg]
5300
13100
18.600
*Moc znamionowa silników elektrycznych dobierana do gęstości nadawy.
Informacje wymiarowe podane w tabeli należy traktować jako orientacyjne.
OPIS TECHNICZNY
OPIS DZIAŁANIA
Jednokomorowe flotowniki IF-9S, IF19S i IF25S potocznie zwane
skimmerami są urządzeniami przeznaczonymi do tzw. flotacji
szybkiej i stosowanymi najczęściej w tych fragmentach
technologii wzbogacania, w których pulpa ma wysoki ciężar
właściwy, do 1700 g/dm3 i charakteryzuje się dużą koncentracją
ziaren grubych. Doskonale sprawdzają się przy flotacji w obiegu
mielenia. Przydatność tych maszyn zaznacza się szczególnie we
flotacji rudy, która obok minerału podstawowego zawiera
również metale szlachetne, takie jak złoto i srebro. Flotowniki tej
grupy stosowane są jako pojedyncze komory, wyposażone we
wszystkie elementy stabilizacji i regulacji parametrów procesu
flotacji. Wydłużoną żywotność maszyn uzyskano dzięki ochronie
dna i ścian bocznych komory oraz wybranych, najbardziej
narażonych na zużycie, elementów maszyny.
Nadawa do flotacji podawana jest za pośrednictwem „skrzynki
nadawczej” zainstalowanej na zewnątrz maszyny. Produkt
pianowy (koncentrat), za pośrednictwem „kierownicy piany”
kierowany jest do obwodowych rynien odbiorczych. Odpady
flotacyjne odbierane są przy użyciu „skrzynek odpadowych”
zainstalowanych na zewnątrz maszyny flotacyjnej.
Wypływ odpadów flotacyjnych regulowany jest za pomocą
zaworu „gniazdo-grzybek”. Ruch grzybka sterowany jest
opcjonalnie układem pneumatycznym lub elektrycznym.
Automatyka maszyn flotacyjnych typu IF umożliwia kontrolę
i regulację podstawowych parametrów flotacji takich jak:
poziom pulpy w maszynie flotacyjnej, przepływ powietrza do
aeratora, ilość dozowanych odczynników flotacyjnych,
Budowa aeratora (wirnik + zespół uspokajacza) umożliwia
prowadzenie procesu flotacji przy niskiej prędkości obwodowej
wirnika dobieranej do wagi i uziarnienia rudy. Wyróżniającą
cechą maszyn flotacyjnych typu IF jest niskie jednostkowe
zużycie energii elektrycznej.
INNOVATOR Sp. z o.o
ul. Sowińskiego 5
44-101 GLIWICE
POLSKA
tel. +48 32 238 02 45
fax +48 32 238 02 02
e-mail:[email protected]
www.innovator.com.pl
Poland