Pobierz - Hybryd

Transkrypt

Pobierz - Hybryd
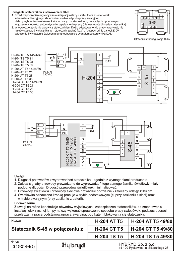
Uwagi dla stateczników z sterowaniem DALI
1. Przed rozpoczęciem wykonywania adaptacji należy ustalić, która z świetlówek
schematu aplikacyjnego statecznika, można użyć do pracy awaryjnej.
Należy wybrać tę świetlówkę, która w pracy z statecznikiem, po wypięciu i ponownym
włączeniu w obwód, automatycznie zapala się do pracy (nie następuje blokada statecznika).
2. W obwodzie zasilania oprawy z statecznikiem DALI, adaptowanej do pracy awaryjnej, nie
należy stosować wyłącznika W - statecznik zasilać fazą” L “bezpośrednio z sieci 230V.
Włączenie i wyłączenie świecenia lamp odbywa się sygnałem z sterownika DALI.
h
g f
e
d c
S-45
~ ~
-
i
j k b a
Statecznik: konfiguracja S-45
H-204
+
-
L
N
PE
+
BAT
10
9
8
7
6
5
4
3
2
1
~ ~
j
k
b
a
f
e
+
BAT
~ ~
j
k
b
a
S-45
H-204 CT T5 49/80
H-204 AT T5 49/80
H-204 TS T5 49/80
8
7
6
5
4
3
2
1
i
h
g
d
c
N
PE L N
230VAC
S-45
+
-
L
N
PE
N
1L 2L
W
1L 2L
H-204 TS T5 14/24/39
H-204 TS T5 21
W
H-204 TS T5 28
H-204 TS T5 35
H-204 AT T5 14/24/39
PE L N
H-204 AT T5 21
230VAC
H-204 AT T5 28
H-204 AT T5 35
H-204 CT T5 14/24/39
H-204 CT T5 21
H-204 CT T5 28
H-204 CT T5 35
i
h
g
f
e
d
c
Uwagi
1. Długości przewodów z wyprowadzeń statecznika - zgodnie z wymaganiami producenta.
2. Zaleca się, aby przewody prowadzone do wyprowadzeń tego samego żarnika świetlówki miały
podobne długości. Długość przewodów świetlówek minimalizować.
3. Przewody świetlówki i przewody sieciowe prowadzić oddzielnie - zalecany odstęp kilku cm.
4. Świetlówka oznaczona kropką pracuje w trybie podstawowym (tj. przy zasilaniu z sieci) oraz
w trybie awaryjnym (przy zasilaniu z baterii).
Sprawdzenie.
Z uwagi na różne konstrukcje obwodów wyjściowych i zabezpieczeń stateczników, po zmontowaniu
instalacji elektrycznej lampy należy wykonać sprawdzenie sposobu pracy świetlówek, podczas operacji
przełączania praca podstawowa/praca awaryjna, pod kątem blokowania się statecznika.
Nazwa
H-204 AT T5
H-204 AT T5 49/80
Statecznik S-45 w połączeniu z
H-204 CT T5
H-204 CT T5 49/80
H-204 TS T5
H-204 TS T5 49/80
Nr rys.
S45-214-4(5)
HYBRYD Sp. z o.o.
44-120 Pyskowice, ul Sikorskiego 28