Rys. 3. Uproszczony schemat przykładowej elektrociepłowni z

Transkrypt

Rys. 3. Uproszczony schemat przykładowej elektrociepłowni z
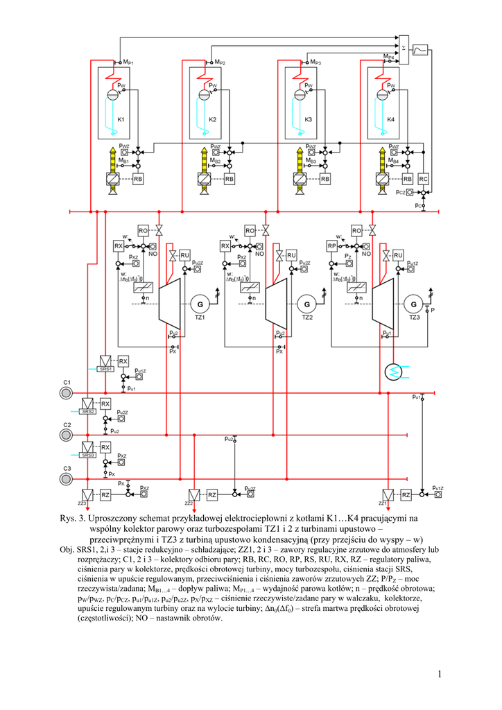
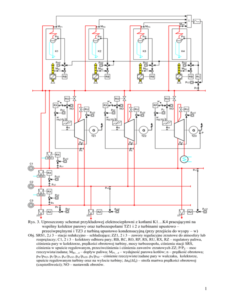
Rys. 3. Uproszczony schemat przykładowej elektrociepłowni z kotłami K1…K4 pracującymi na
wspólny kolektor parowy oraz turbozespołami TZ1 i 2 z turbinami upustowo –
przeciwprężnymi i TZ3 z turbiną upustowo kondensacyjną (przy przejściu do wyspy – w)
Obj. SRS1, 2,i 3 – stacje redukcyjno – schładzające; ZZ1, 2 i 3 – zawory regulacyjne zrzutowe do atmosfery lub
rozprężaczy; C1, 2 i 3 – kolektory odbioru pary; RB, RC, RO, RP, RS, RU, RX, RZ – regulatory paliwa,
ciśnienia pary w kolektorze, prędkości obrotowej turbiny, mocy turbozespołu, ciśnienia stacji SRS,
ciśnienia w upuście regulowanym, przeciwciśnienia i ciśnienia zaworów zrzutowych ZZ; P/PZ – moc
rzeczywista/zadana; MB1…4 – dopływ paliwa; MP1…4 – wydajność parowa kotłów; n – prędkość obrotowa;
pW/pWZ, pC/pCZ, pu1/pu1Z, pu2/pu2Z, pX/pXZ – ciśnienie rzeczywiste/zadane pary w walczaku, kolektorze,
upuście regulowanym turbiny oraz na wylocie turbiny; ∆n0(∆f0) – strefa martwa prędkości obrotowej
(częstotliwości); NO – nastawnik obrotów.
1