t001 elektroniczny termostat do ogrzewania

Transkrypt

t001 elektroniczny termostat do ogrzewania
T001 ELEKTRONICZNY TERMOSTAT DO OGRZEWANIA
T001 ELEKTRONICZNY TERMOSTAT DO OGRZEWANIA
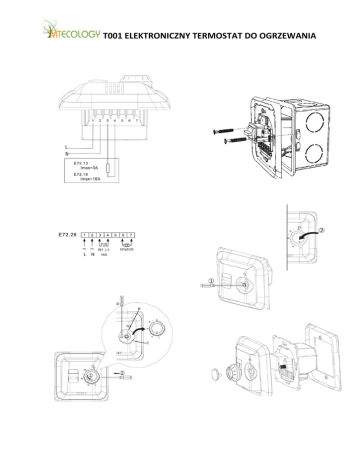
Model
Max. Obciążenie
na wyśćiu
Czujnik
Zastosowanie
T001.13
13A
wbudowany
Urządzenia elektyczne i
elektro-termalne
T001.16
16A
wbudowany
Urządzenia elektyczne i
elektro-termalne
T001.26
16A
Czujnik podłogowy
Urządzenia elektryczne
Dane techniczne:
Napięcie: 5W
Zakres:5 oC - 40 Oc
Histereza: -5 oC -50 oC
Stopieo ochrony obudowy: IP20
Obudowa: Niepalne PC
Czujnik podłogowy: NTC na kablu o długości 3m
Wymiary urządzenia:
T001 ELEKTRONICZNY TERMOSTAT DO OGRZEWANIA
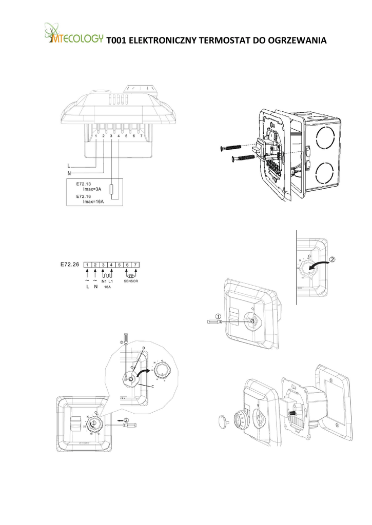
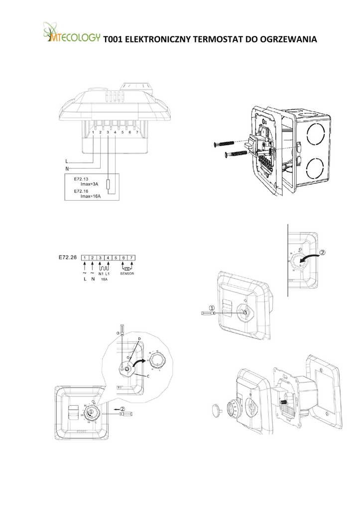
Montaż czujnika podłogowego.
Czujnik powinien być zainstalowany w warstwie pod podłogą . Przewód czujnika może być
wydłużony o 50m przy zastosowaniu osobnego przewodu zasilającym .
Temperatura i wartości oporu:
Temperatura oC
Wartość Ω
5
10
20
30
40
22070
17960
12091
8312
5827
Umieszczenie termostatu::
Temperatura w pomieszczeniu zależy w dużej mierze od lokalizacji termostatu.
Zaleca się umieszczanie termostatu na wysokości 1,20 m. Najlepiej zamontować go w dostępnym
miejscu, z dala od źródeł ciepła (kominek, miejsca nasłonecznione) i przeciągów (okno, drzwi). Może
to spowodować niedokładne wskazanie temperatury.
T001 ELEKTRONICZNY TERMOSTAT DO OGRZEWANIA
Sterowanie ręczne:
1)ON
/
OF
Włącz / Wyłącz
2) Ustawienia temp.
5 oC -40 oC
3) Kontrolka
Kiedy świeci się na czerwono
ogrzewanie jest włączone.
Ustawienia temperatury:
Zakres skali termostatu to +5 oC / +40 oC. Urządzenie posiada kontrolkę, która świeci się, gdy
ogrzewanie jest włączone. W celu uzyskania pożądanej temperatury termostat powinien być
ustawiony na maximum .
Dostosowanie termostatu:
Kiedy temperatura w pomieszczeniu ustabilizuje się, dostosuj do niej termostat. Zmierz temperaturę
za pomocą dokładnego termometru, zdejmij pokrętło (1) i zakręć słupek (D) (obraz 2). Następnie
zmień położenie pokrętła tak, aby wskaźnik temperatury pokazywał tą samą temperaturę co mierzona.
Wyregulowaliśmy temperaturę, proszę nie kręcić słupkiem w trakcie instalacji.
Max./Min. Ustawienia temperatury
Termostat posiada mechanizm blokujący umieszczony jest pod pokrętłem, aby ograniczyć wysokość
temperatury. W przypadku, gdy nie będziesz mógł ustawić temperatury wyższej niż np. 25 oC zdejmij
pokrętło ,delikatne odkręć śrubę, która znajduje się pod nim(obrazek 2 .)Blokada powinna być zdjęta
a skala regulacji temperatury powinna być pełna ( od 0 oC do 40 oC. Czerwony kolor lampki wskazuje
maksymalną a zielony minimalną temperaturę.