rysunek wzoru - Powiat Ostrowski

Transkrypt

rysunek wzoru - Powiat Ostrowski
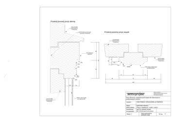
Przekrój pionowy przez ślemię.
rama skrzydła
profil wg wzoru
Producenta
Przekrój poziomy przez słupek
profil skrzydła od wewnątrz
\wg wzoru Producenta
48
rama skrzydła
profil wg wzoru
Producenta
11
7
R5
rama skrzydła
profil wg wzoru
Producenta
20
96
Profil ślemienia
odtworzyć
R2
1
R3
R7
R1
R=200
Profil słupka zabytkowego
(do odtworzenia)
48
R5
12
R1
R7
52
36
12
75
36
R2
146
20
16
Audyty energetyczne
Projekty budynków energooszczędnych
Projekty termomodernizacji
http://www.termoprojekt.eu
rama skrzydła
profil wg wzoru
Producenta
Widok z boku słupka
(do odtworzenia)
Wzór ślemienia i oryginalny profil słupka (do odtworzenia w
produkowanych oknach)
Inwestor
DOM POMOCY SPOŁECZNEJ W PSARACH
Obiekt
Adres obiektu
BUDYNEK PAŁACU
Psary ul. Kaliska dz. nr 227/1 i 227/2
mgr inż. Andrzej Cempel
Konstrukcja:
Nr uprawnień:
Skala 1:1
BN-10.9/24/83 spec.konstr.budowl.
Data opracowania
MARZEC 2009
Nr rys.
2