Now!

Transkrypt

Now!
Stack Match
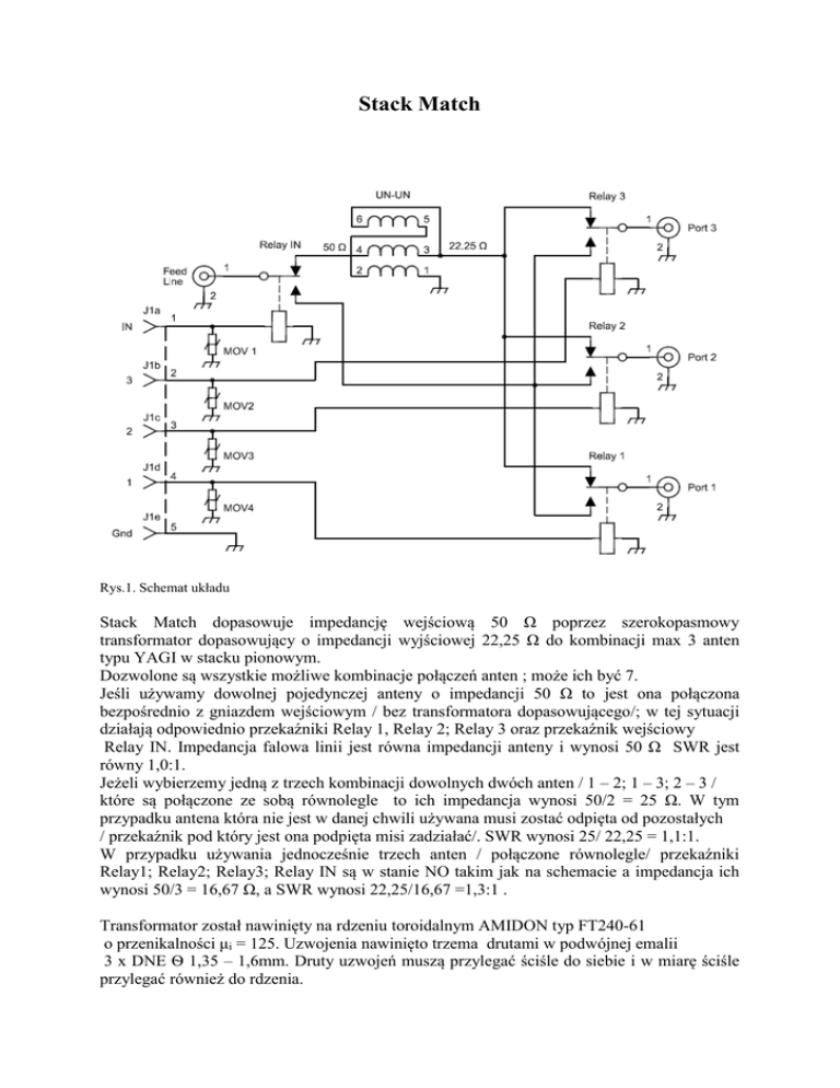
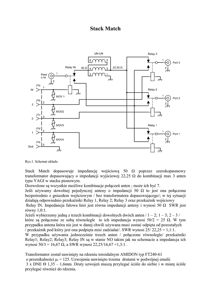
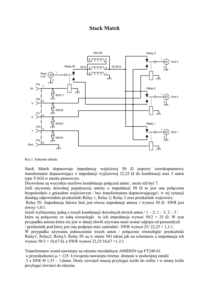
Rys.1. Schemat układu
Stack Match dopasowuje impedancję wejściową 50 Ω poprzez szerokopasmowy
transformator dopasowujący o impedancji wyjściowej 22,25 Ω do kombinacji max 3 anten
typu YAGI w stacku pionowym.
Dozwolone są wszystkie możliwe kombinacje połączeń anten ; może ich być 7.
Jeśli używamy dowolnej pojedynczej anteny o impedancji 50 Ω to jest ona połączona
bezpośrednio z gniazdem wejściowym / bez transformatora dopasowującego/; w tej sytuacji
działają odpowiednio przekaźniki Relay 1, Relay 2; Relay 3 oraz przekaźnik wejściowy
Relay IN. Impedancja falowa linii jest równa impedancji anteny i wynosi 50 Ω SWR jest
równy 1,0:1.
Jeżeli wybierzemy jedną z trzech kombinacji dowolnych dwóch anten / 1 – 2; 1 – 3; 2 – 3 /
które są połączone ze sobą równolegle to ich impedancja wynosi 50/2 = 25 Ω. W tym
przypadku antena która nie jest w danej chwili używana musi zostać odpięta od pozostałych
/ przekaźnik pod który jest ona podpięta misi zadziałać/. SWR wynosi 25/ 22,25 = 1,1:1.
W przypadku używania jednocześnie trzech anten / połączone równolegle/ przekaźniki
Relay1; Relay2; Relay3; Relay IN są w stanie NO takim jak na schemacie a impedancja ich
wynosi 50/3 = 16,67 Ω, a SWR wynosi 22,25/16,67 =1,3:1 .
Transformator został nawinięty na rdzeniu toroidalnym AMIDON typ FT240-61
o przenikalności μi = 125. Uzwojenia nawinięto trzema drutami w podwójnej emalii
3 x DNE Ѳ 1,35 – 1,6mm. Druty uzwojeń muszą przylegać ściśle do siebie i w miarę ściśle
przylegać również do rdzenia.
Ze względu na fakt do jakich celów stosuje się układ Stack Matchea / chodzi o moc
doprowadzoną z nadajnika/ zastosowano gniazda koncentryczne z izolatorem teflonowym
typu UC-1 lub N . Osobiście polecam stosowanie gniazd typu N ponieważ posiadają one
wyłącznie izolator teflonowy, a wtyki do nich są produkowane do wszystkich typów kabli
antenowych dostępnych na rynku zarówno do lutowania / kable miękkie np. RG214U/ jak i
do montażu suchego / kable sztywne np. LDF- 4-50A /.
Przekaźniki które zastosowano są to przekaźniki firmy RELPOL typ RM85; posiadają one
jedną parę styków przełączanych o obciążalności AC 250V 16A w wykonaniu hermetycznym.
Do sterowania układem Stack Matcha użyto prostego przełącznika obrotowego z matrycą
diodową / zalecane przy pracy dużymi mocami / lub sterownika procesorowego, oraz
przewody sterownicze 5 żyłowe w ekranie. Po zmontowaniu całość zabezpieczono podwójną
warstwą lakieru elektroizolacyjnego.
Testy laboratoryjne
Badaniu poddano dwa egzemplarze Stack Matcha
Pomiarów wykonano za pomocą analizatora antenowego i dobrano tak wartość kondensatora
na wyjściu układu aby uzyskać XS w granicy –j10. W tym celu wykonano układ pomiarowy
tak że można było zmieniać R / impedancje anten/ i pojemność kondensatora na wyjściu tak
żeby mieć Xs w granicy -j10.
Przy 50 Ω wszystko jest ok. Zmieniając wartość kondensatora na wyjściu (od 5 do 30 pF);
można ładnie kompensować Xs. Gdy dopasowanie na 14 MHz było idealne to na 28MHz
było gorsze / dotyczy to anten wielopasmowych 14-21-28./. Jak wiemy Stack Match ma
impedancję 22,25Ω . Przy zmianie rezystancji anten poniżej 50 omów wszystko jest idealne.
Natomiast jak mamy anteny o impedancji powyżej 50 omów to już jest problem. SWR po
fazowaniu gwałtownie rośnie. Ten problem występuje wtedy gdy anteny maja impedancje
powyżej 50Ω.
1. Opis zewnętrzny
Stack Matche wykonano bardzo starannie.
Płytki drukowane wykonane są z laminatu dwustronnego na bazie szkła epoksydowego; układ
ścieżek i sam druk wykonane są bardzo dokładnie z zachowaniem impedancji ścieżek
przewodzących / 50 i 25 Ω/; do montażu użyto przekaźników do montażu przewlekanego
/przystosowano je do montażu powierzchniowego/; montaż gniazd antenowych UC-1 za
pomocą nitów do dolnej obudowy, płytka drukowana lutowana do gniazd / wtyk środkowy/ .
Cała płytka pokryta jest lakierem elektroizolacyjnym /dwukrotnie/ co dobrze zabezpiecza
przed przebiciami. / dokonano próby odporności na przebicie przy Umax=2kV- próby wypadły
pozytywnie. Obudowa wykonana jest z blachy chromoniklowej , odpornej na korozję co
pozwala na montaż przełącznika bezpośrednio na maszcie, bez stosowania dodatkowych
osłon.
2. Pomiary
Celem pomiarów było sprawdzenie podstawowych parametrów / Rs , Xs , SWR / Stack
Matcha w zakresie pasm amatorskich / 7 – 28 MHz /. Pomiarów dokonano za pomocą
analizatora antenowego na sztucznym obciążeniu. Pomiary zestawiono w tabelach 1i 2.
Pomiar układu Stack Matcha Nr 1.
Tabela Nr 1.
Band
7 MHz
14 MHz
R
SWR
XS
R
SWR
XS
R
18 MHz
SWR
XS
21 MHz
SWR
XS
24 MHz
SWR
XS
28 MHz
SWR
XS
R
R
R
1
2
3
1+2
1+3
2+3
1+2+3
45
1:1.0
0
40
1:1.1
0
39
1:1.1
0
38
1:1.2
0
38
1:1.2
0
38
1:1.2
4
44
1:1.0
0
40
1:1.1
0
40
1:1.1
0
39
1:1.2
0
39
1:1.2
0
39
1:1.2
3
45
1:1.0
0
41
1:1.1
0
40
1:1.1
0
39
1:1.1
0
39
1:1.2
0
38
1:1.2
0
50
1:1.1
6
47
1:1.1
4
41
1:1.1
0
40
1:1.1
0
40
1:1.1
0
46
1:1.0
0
49
1:1.1
7
45
1:1.1
2
39
1:1.1
0
38
1:1.2
0
39
1:1.2
0
45
1:1.0
0
49
1:1.1
6
45
1:1.0
0
39
1:1.1
0
39
1:1.2
0
39
1:1.2
0
46
1:1.0
0
38
1:1.3
5
45
1:1.3
15
49
1:1.3
13
54
1:1.3
13
56
1:1.2
12
56
1:1.2
11
Pomiar układu Stack Matcha Nr 2
Tabela Nr 2.
Band
7 MHz
14 MHz
R
SWR
XS
R
SWR
XS
R
18 MHz
SWR
XS
21 MHz
SWR
XS
24 MHz
SWR
XS
28 MHz
SWR
XS
R
R
R
1
2
3
1+2
1+3
2+3
1+2+3
44
1:1.0
0
41
1:1.1
0
39
1:1.1
0
39
1:1.2
0
39
1:1.2
0
40
1:1.2
5
45
1:1.0
0
41
1:1.1
0
39
1:1.1
0
38
1:1.2
0
38
1:1.2
0
39
1:1.2
4
45
1:1.0
0
41
1:1.1
0
40
1:1.1
0
39
1:1.1
0
39
1:1.2
0
39
1:1.2
0
49
1:1.1
6
42
1:1.1
0
40
1:1.1
0
39
1:1.1
0
39
1:1.2
0
40
1:1.2
0
49
1:1.1
6
41
1:1.1
0
38
1:1.1
0
38
1:1.2
0
38
1:1.2
0
40
1:1.2
5
49
1:1.1
7
40
1:1.2
0
37
1:1.2
0
37
1:1.2
0
37
1:1.2
0
39
1:1.3
7
38
1:1.3
5
43
1:1.3
11
48
1:1.3
13
51
1:1.3
13
54
1:1.2
12
57
1:1.2
11
Następnie wykonano pomiary „mocowe” w układzie przedstawionym na poniższym rys.
R=50Ω
PA
1- 5kW
SWRmeter
Stack
Match
R=50Ω
R=50Ω
Wartości pomiaru SWR nie przekroczyły 1:1.2 ; wzrost temperatury rdzenia nie
przekroczył 10o C. / czas próby na każdym zakresie wynosił ok. 10 min./
3. Podsumowanie
W wyniku przeprowadzonych prób stwierdzono przydatność w/w układu do zastosowań
amatorskich ze względu na powtarzalne parametry.
Foto: 2 Gotowy Stack Match bez górnej obudowy / SP8CUW& SP8CUR/
Fot.3 Anteny 2 x 28MHz na stacji SP8CUW & SP8CUR zasilane Stack Matchem
Stack Match został wykonany przez zespół SP8CUR & SP8CUW i praktycznie
przetestowany w zawodach SN0HQ 2012 na stacji SP3GEM , SP8BRQ i stacji SP8CUW &
SP8CUR. Pierwszą wersję kilka miesięcy temu testował Andrzej SP8BRQ i wniósł pewne
uwagi. Poprawki zostały uwzględnione. Po zawodach IARU HF 2012 , CQ WW /SSB/-2012
oraz CQWW/RTTY/-2012 użytkownicy nie mają żadnych zastrzeżeń, wszystko pracowało
poprawnie.
Pragnę podziękować: Jurkowi - SP3GEM, Andrzejowi – SP8BRQ, Łukaszowi –SP8CUR
za bezinteresowną pomoc i cenne uwagi przy projektowaniu i testach Stack Matcha i anten.
Marek- SP8CUW