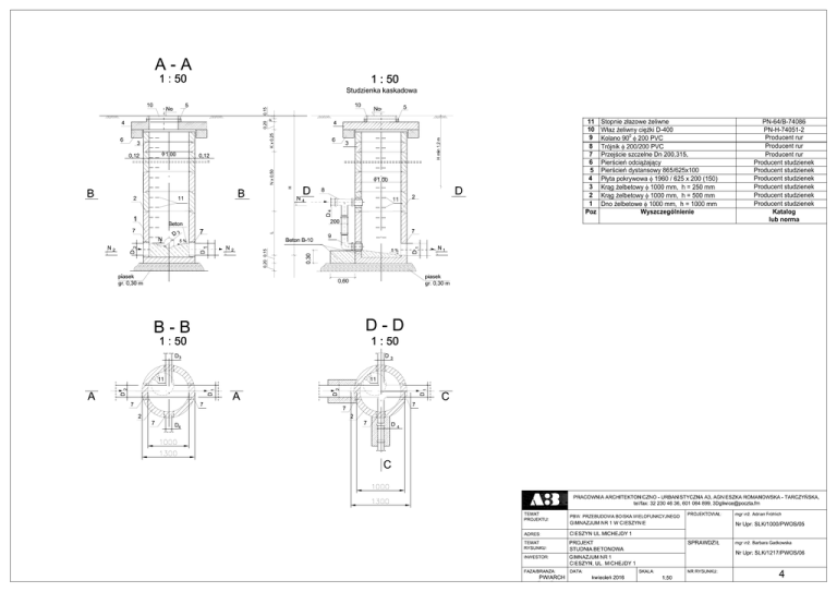
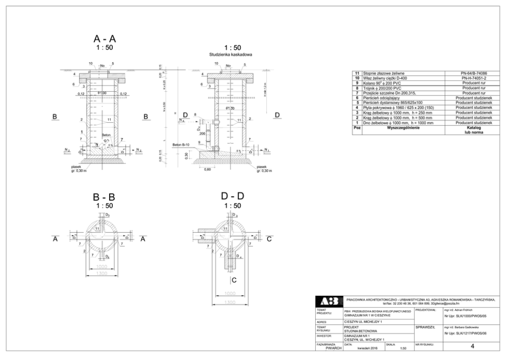
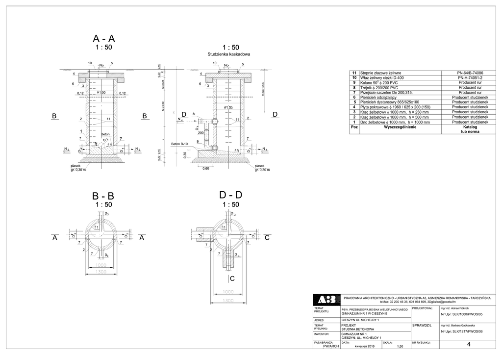
27. Projtek studni betonowej

Transkrypt

27. Projtek studni betonowej
11
10
9
8
7
6
5
4
3
2
1
Poz
Stopnie złazowe żeliwne
Właz żeliwny ciężki D-400
Kolano 900 φ 200 PVC
Trójnik φ 200/200 PVC
Przejście szczelne Dn 200,315,
Pierścień odciążający
Pierścień dystansowy 865/625x100
Płyta pokrywowa φ 1960 / 625 x 200 (150)
Krąg żelbetowy φ 1000 mm, h = 250 mm
Krąg żelbetowy φ 1000 mm, h = 500 mm
Dno żelbetowe φ 1000 mm, h = 1000 mm
Wyszczególnienie
PN-64/B-74086
PN-H-74051-2
Producent rur
Producent rur
Producent rur
Producent studzienek
Producent studzienek
Producent studzienek
Producent studzienek
Producent studzienek
Producent studzienek
Katalog
lub norma