bezdotykowy system kontroli dostępu wpc-02 i emr-05w

Transkrypt

bezdotykowy system kontroli dostępu wpc-02 i emr-05w
BEZDOTYKOWY SYSTEM KONTROLI DOSTĘPU WPC-02 I EMR-05W
Opis systemu:
Prosty zbliżeniowy system kontroli dostępu bez możliwości programowania przez komputer.
4 klucze master, 8 kluczy administratora, 2024 klucze użytkownika.
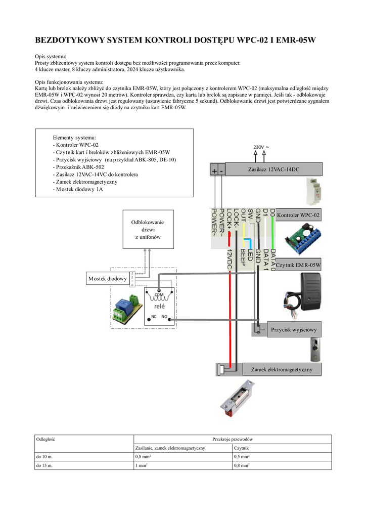
Opis funkcjonowania systemu:
Kartę lub brelok należy zbliżyć do czytnika EMR-05W, który jest połączony z kontrolerem WPC-02 (maksymalna odległość między
EMR-05W i WPC-02 wynosi 20 metrów). Kontroler sprawdza, czy karta lub brelok są zapisane w pamięci. Jeśli tak - odblokowuje
drzwi. Czas odblokowania drzwi jest regulowany (ustawienie fabryczne 5 sekund). Odblokowanie drzwi jest potwierdzane sygnałem
dźwiękowym i zaświeceniem się diody na czytniku kart EMR-05W.
Elementy systemu:
- Kontroler WPC-02
- Czytnik kart i breloków zbliżeniowych EM R-05W
- Przycisk wyjściowy (na przykład ABK-805, DE-10)
- Przekaźnik ABK-502
- Zasilacz 12VAC-14VC do kontrolera
- Zamek elektromagnetyczny
- M ostek diodowy 1A
Zasilacz 12VAC-14DC
Kontroler WPC-02
Odblokowanie
drzwi
z unifonów
Czytnik EM R-05W
M ostek diodowy
Przycisk wyjściowy
Zamek elektromagnetyczny
Odległość
Przekroje przewodów
Zasilanie, zamek elektromagnetyczny
do 10 m.
0,8 mm
do 15 m.
1 mm2
2
Czytnik
0,5 mm2
0,8 mm2