Untitled - HECHT Garten Schweiz

Transkrypt

Untitled - HECHT Garten Schweiz
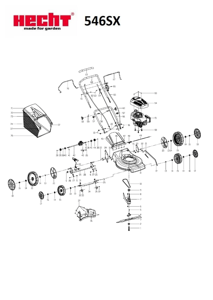
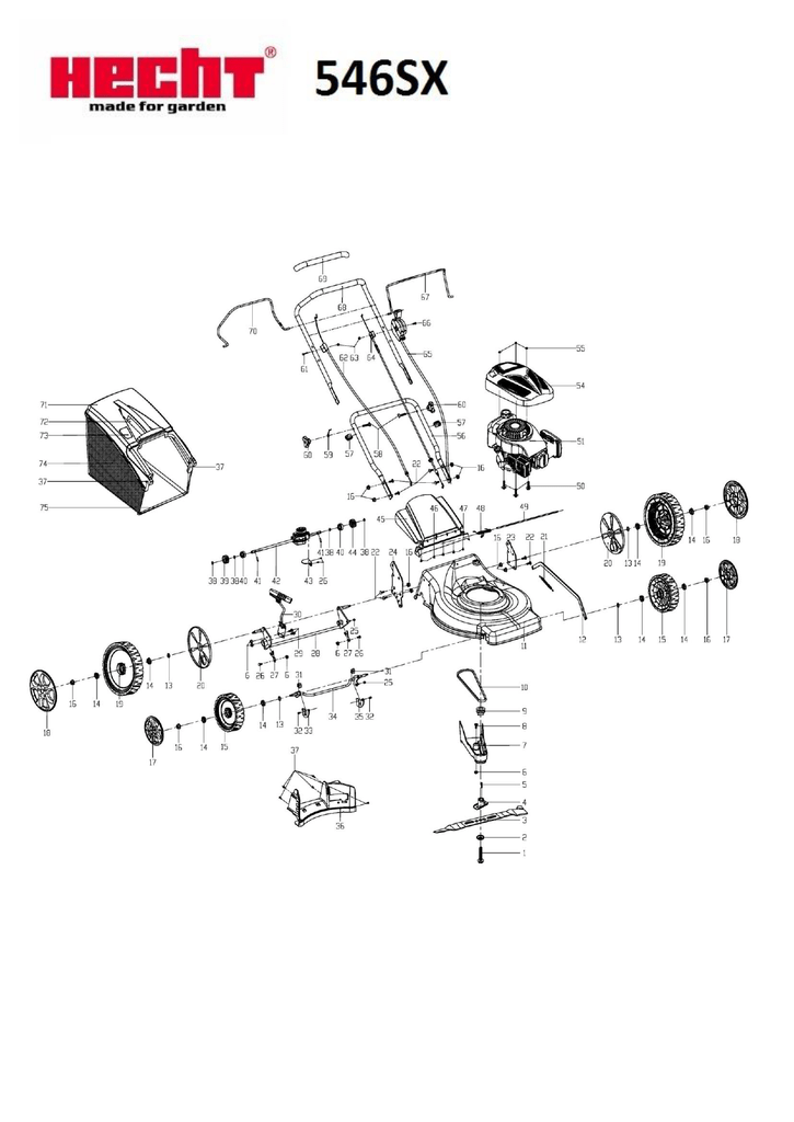
Pozice
1
2
3
4
5
6
7
8
9
10
11
12
13
14
15
16
17
18
19
20
21
22
23
24
25
26
27
28
29
30
31
32
33
34
35
36
37
38
39
40
41
42
43
44
45
46
47
48
49
50
51
54
55
56
57
Objednací číslo
DY0218-52
DY0218-20
DY0608-12
DY0218-21F
DY0701-31
DY0801-2
DY0218-19B
Z686
DY0801-6A
DY0218-15A
DY0701.1W
M-08
DY0701-13D
DY0701-14D
DY0701.2W
DY0701-23
DY0302-6A
SV-08*16
DY0701-18
DY0801-33
S-06*12
DY0304-10
DY0701.4H
S-06*16
DY0801.5D
DY0601-7
546SX0033
DY0801.3A
546SX0035
DY0801-3
ST4,2*16
PK-12
DY0218.11-1
R8RS
DY0706
DY0702.30C
DY0702-10C
DY0218.4-1
DY0701-21C
ST4,8*13
DY0701-22C
DY0701-20C
DY0601-14C
S-08*25
1P64F
Q08.12-10D
DY0701-24
Název
Šroub nože
Podložka šroubu nože
Nůž
Unašeč nože
Klínek unašeče 4,7x5x35
Šroub M6x16
Kryt řemenu
Matice M6
Řemenice motoru
Klínový řemen Z686
Šasí
Táhlo zdvihu
Podložka 13x20x2
Ložisko kola
Přední kolo
Matice M8
Poklice předního kola
Poklice zadního kola
Zadní kolo
Vnitřní kryt kola
Pružina zdvihu
Šroub vratový M8x16
Držák spodního madla levý
Držák spodního madla pravý
Matice M6
Šroub M6x12
Pojistka zadní osy
Zadní osa kol
Šroub M6x16
Páka zdvihu
Lůžko přední osy
Šroub M6x8
Pojistka přední osy pravá
Přední osa kol
Pojistka přední osy levá
Zadní přepážka
Šroub ST4,2x16
Pojistný kroužek 12
Pravý pastorek pojezdu
Ložisko R8RS
Západka pojezdu 5x21,6
Převodovka pojezdu
Držák převodovky
Pastorek pojezdu levý
Víko koše
Šroub ST4,8x13
Zadní kryt
Pružina víka koše
Osa víka koše
Šroub M8x25
Motor 1P64F
Kryt motoru
Matice M6
Spodní madlo
Svorka bowdenu
Name
Blade bolt
Blade bolt washer
Blade
Blade holder
Blade holder key 4x7x5x35
Square neck bolt M6x16
Belt cover
Nut M6
Engine sheave
V-belt Z686
Deck
Height adjusting rod
Washer 13x20x2
Wheel bearing
Front wheel
Nut M8
Front wheel cover
Rear wheel cover
Rear wheel
Wheel inner cover
Height adjusting rod spring
Carriage bolt M8x16
Lower handle left bracket
Lower handle right bracket
Nut M6
Hexagon bolt M6x12
Rear axle fixing clip
Rear wheel axle
Hexagon bolt M6x16
Height adjusting lever
Front axle plastic holder
Bolt M6x8
Right front axle clip
Front wheel axle
Left front axle clip
Rear air channel
Screw ST4,2x16
Shaft circlip 12
Right output gear
R8RS bearing
Pin 5x21,6
Gearbox assembly
Gearbox fixing plate
Left output gear
Rear board
Screw ST4,8x13
Deck rear strip plate
Rear board spring
Rear cover shaft
Hexagon screw M8x25
Engine 1P64F
Engine cover
Nut M6
Lower handle
Cable clamp
Ks
1
1
1
1
1
5
1
1
1
1
1
1
4
8
2
12
2
2
2
2
1
8
1
1
2
4
2
1
2
1
2
2
1
1
1
1
7
4
1
2
2
1
1
1
1
7
1
1
1
3
1
1
3
1
2
Pozice
58
59
60
61
62
63
64
65
66
67
68
69
70
71
72
73
74
75
Objednací číslo
Název
DY0218.1-4
Šroub madla
DY0218-26
Záchyt madla startování
DY0218.1.4
Křídlová matice
Šroub M6x35
DY0605.2
Bowden brzdy motoru
M-06K
Matice M6
DY0702-28E
Bowden pojezdu
546SX0065
Ovládání plynu
Šroub M6x55
DY0701-32
Páka brzdy motoru
DY0302.2-3
Horní madlo
546SX0069
Návlek madla
DY0701-33
Páka pojezdu
DY0701.6-2C Horní kryt koše
DY0701.6-3
Krytka pod madlem
DY0701.6-4C Ukazatel plnosti koše
DY0801.6.2D Potah koše
DY0801.6-21D Rám koše
Name
Screw
Rope guide hook
Knob nut
Bolt M6x35
Flameout cable
Nut M6
Driving cable
Throttle control cable
Bolt M6x55
Flameout lever
Upper handle
Upper handle foam sheath
Driving lever
Grasscatcher upper cover
Plastic cover
Grass level indicator
Grasscatcher bag
Grasscatcher frame
Ks
2
1
2
1
1
2
1
1
1
1
1
1
1
1
1
1
1
1
Pozice
1
2
3
4
5
6
7
8
9
10
11
12
13
14
15
16
17
18
19
20
21
22
23
24
25
26
27
28
29
30
31
32
33
34
35
36
37
38
39
40
41
42
43
44
45
46
47
48
49
50
51
52
53
54
55
Objednací číslo
M-06
Q08.09-20
Q08.09-10
Q08.09-30
S-06*12
Q08.02-20
Q08.02-21
S-08*45
Q08.05-28
Q08.05-27
Q08.05-25
Q08.05-24
Q08.05-23
Q08.05-26
Q08.05-11
Q08.05-10
26800605601
746001076
Q08.02-10
Q08.05-20
Q08.05-21
Q08.02-16A
Q08.07-21
Q08.07-20
Q08.08-30
Q08.08-40
Q08.08-20
Q08.06-00A
Q08.06-50A
Q08.08-11B
M-06
Q08.08-14B
Q08.08-10B
Q08.03-23KR
Q08.03-31
Q08.03-30A
Q08.03-32
Q08.03-10
S-06*45
Q08.01-42
S-06*30
ZH51300003
Q08.01-30
Q08.07-43
Q08.07-40
Q08.01-14
Q08.01-36
Q08.05-22
Název
Matice M6
Kryt výfuku
Výfuk
Těsnění výfuku
Šroub M6x12
Ventilové víko
Těsnění ventilového víka
Šroub M8x45
Pojistná matice
Matice ventilu
Vahadlo ventilu
Podložka pružiny ventilu
Pružina ventilu
Seřizovací šroub ventilu
Vodící deska
Zdvihací tyčka ventilu
Svorník M6x92
Svíčka F7RTC
Hlava válce
Sací ventil
Výfukový ventil
Čep 10x16
Těsnění hlavy válce
Pružina regulace otáček
Táhlo regulace otáček
Těsnění příruby karburátoru
Příruba karburátoru
Těsnění karburátoru
Karburátor
Těsnění vzduchového filtru
Příruba vzduchového filtru
Pouzdro
Matice M6
Vzduchový filtr
Kryt vzduchového filtru
Pístní kroužky sada
Pojistka pístního čepu
Píst
Pístní čep
Ojnice
Šroub M6x45
Hrdlo nalévání oleje kompletní
Pouzdro
Šroub M6x30
Gufero 25x38x7
Víko motoru
Upínací destička
Palec regulátoru
Podložka
Hřídel regulátoru
Kolo regulátoru otáček
Podložka
Čep 8x14
Těsnění Klikové skříně
Zdvihátko
Name
Nut M6
Muffler cover
Muffler assembly
Muffler gasket
Bolt M6x12
Cylinder head cover
Cylinder head cover gasket
Bolt M8x45
Nut
Adjustment nut
Valve rocker
Valve spring holder
Valve spring
Adjustment bolt
Push rod guide plate
Valve push rod
Muffler screw M6x92
Spark plug F7RTC
Cylinder head
Intake valve
Exhaust valve
Pin 10x16
Cylinder head gasket
Throttle tension spring
Throttle rod
Intake flange gasket
Intake carburetor flange
Carburetor gasket
Carburetor
Air filter gasket
Air filter base
Air filter base bushing
Nut M6
Air filter sponge
Air filter cover
Piston ring set
Piston pin circlip
Piston
Piston pin
Connecting rod
Bolt M6x45
Oil filler pipe assembly
Bushing
Bolt M6x30
Oil seal 25x38x7
Crankcase cover
Pressing plate
Governor slider
Washer
Gear shaft
Governor gear
Washer
Position pin 8x14
Crank case gasket
Tappet
Ks
2
1
1
1
11
1
1
5
2
2
2
2
2
2
1
2
4
1
1
1
1
2
1
1
1
1
1
1
1
1
1
2
4
1
1
1
2
1
1
1
1
1
1
7
1
1
1
1
1
1
1
1
2
1
2
Pozice
56
57
58
59
60
61
62
63
64
65
66
67
68
69
70
71
72
73
74
75
76
77
78
79
80
81
82
83
84
85
86
87
88
89
90
91
92
93
94
95
96
97
98
99
100
101
102
103
Objednací číslo
Q08.05-30
Q08.04-00D
Q08.01-10A
Q08.08-60
Q08.06.2
Q08.07-33
Q08.07-10
S-06*25
S-06*35
Q08.07-22
Q08.01-15
Q08.07-30
Q08.06-4
Q08.06-10
Q08.06-3
Q08.13-02
Q08.13-03
Q08.13-06
Q08.13-12
746001047
FQ08.13-03
Q08.13-01
Q08.01-24
Q08.01-23
Q08.01-20
6205
Q08.01-13
Q08.10-10
Q08.10-20
Q08.12-23A
GB6177.2-20
Q08.12-22
Q08.12-20
Q08.11-10
Q08.07-50
Q08.11-30
S-06*16
Název
Vačková hřídel
Kliková hřídel
Kliková skříň
Hadička odvzdušnění
Svorka hadičky
Záchyt pružiny
Pružina páky regulace
Distanční pouzdro
Distanční pouzdro
Kulisa páky regulace otáček
Šroub M6x25
Šroub M6x35
Ovládací táhlo regulace
Podložka 6x12x1
Gufero 6x11x4
Závlačka
Šroub
Páka regulace otáček
Svorka hadičky
Palivová hadička
Svorka hadičky
Palivový filtr
Palivová nádrž
Podložka
Těsnění palivové zátky
Pěnový filtr zátky
Zátka palivové nádrže
Držák palivové nádrže
Sítko
Těsnění odvzdušnění
Membrána odvzdušnění
Kryt odvzdušnění
Ložisko 6205
Gufero 22x35x7
Svorník
Pouzdro
Setrvačník
Ventilátor
Miska startéru
Matice M14x1,5
Kryt ventilátoru
Startér kompletní
Cívka zapalování
Svorník
Brzda motoru
Vypínač motoru
Šroub M6x16
Kabel zapalování
Name
Camshaft
Crankshaft
Crankcase
Breathing pipe
Fuel tube clip
Spring board
Governor tension spring
Spacer 1
Spacer 2
Governor board
Screw M6x25
Screw M6x35
Speed control lever
Washer 6x12x1
Oil seal 6x11x4
Cotter pin
Šroub
Governor lever
Oil tube clip B
Fuel pipe
Oil tube clip A
Fuel filter
Fuel tank
Washer
Fuel tank cap seal
Fuel cap sponge
Fuel tank cap
Fuel tank bracket
Filter
Breathing seal
Breathing valve
Breathing cover
Rolling bearing 6205
Oil seal 22x35x7
Stud bolt
Fan cover bushing
Flywheel
Fan
Starter idle pulley
Nut M14x1,5
Fan cover
Starter
Ignition coil
Stud bolt
Engine brake
Engine STOP switch
Bolt M6x16
Ignition cable
Ks
1
1
1
1
1
1
1
1
1
1
2
1
1
1
1
1
1
1
1
1
1
1
1
1
1
1
1
1
1
1
1
1
1
1
2
3
1
1
1
1
1
1
1
1
1
1
1
1