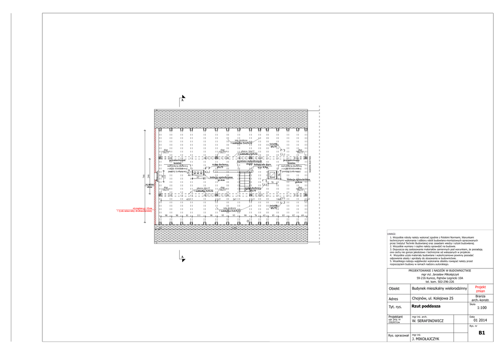
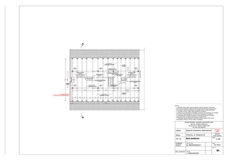
Rzut poddasza - ChZGKiM

Transkrypt

Rzut poddasza - ChZGKiM
A
istn. krokiew
+ nak adka 2x4,5x14
przemurowanie
komina
nad po aci dachow
z ceg y klinkierowej
poni ej tynkowany
up
18x13
atew 16x12
+ nak adka 2x5x16
przemurowanie
komina
nad po aci dachow
z ceg y klinkierowej
poni ej tynkowany
wymiana uszkodzonych
stopni balustrada drew.
wys. 0,9m
68
90
115
290
766
42
wy az dachowy
45x75
95
izolacja ogniochronna
gr.4cm
izolacja ogniochronna
gr.4cm
70
wymian
okna
up
18x13
atew 16x12
+ nak adka 2x5x16
453
up
18x13
17
up
18x13
wy az dachowy
45x75
267
17
445
90
81
25
111
98
93
93
17
wietlik
45x75
istn. krokiew
+ nak adka 2x4,5x14
styropian gr. 12cm
+ tynk mineralny drobnoziarnisty
90
SIEDNI BUDYNEK
up
18x13
up
18x13
wietlik
45x75
98
76
65
85
85
82
69
1 241
A
UWAGI:
1. Wszystkie roboty nale y wykona zgodnie z Polskimi Normami, Warunkami
technicznymi wykonania i odbioru robót budowlano-monta owych opracowanych
przez Instytut Techniki Budowlanej oraz zasadami wiedzy i sztuki budowlanej.
2. Wszystkie wymiary i rz dne nale y sprawdzi na budowie.
3. Dopuszcza si zastosowanie materia ów zamiennych pod warunkiem, e posiadaj
one cechy nie gorsze jako ciowo i technicznie od wskazanych w projekcie.
4. Wszystkie u yte materia y budowlane i wyko czeniowe powinny posiada
odpowienie atesty i aprobaty do stosowania w budownictwie.
5. Wszelkiego rodzaju w tpliwo ci wykonania obiektu rowi za nale y przed
rozpocz ciem budowy w ramach nadzoru autorskiego.
PROJEKTOWANIE I NADZÓR W BUDOWNICTWIE
mgr in . Jaros aw Miko ajczyk
59-216 Kunice, P tnów Legnicki 10A
tel. kom. 502-296-226
Projekt
zmian
Obiekt
Budynek mieszkalny wielorodzinny
Adres
Chojnów, ul. Kolejowa 25
Tyt. rys.
Rzut poddasza
Skala
Projektant
mgr in . arch.
Data
upr. proj. nr
230/87/Uw
W. SERAFINOWICZ
Bran a
arch.-konstr.
1:100
01 2014
Rys. nr
Rys. opracowa
mgr in .
J. MIKO AJCZYK
B1
rynna Ø
spadek min 5mm/m
RS Ø
548
otek przeciw niegowy
stalowa awa
kominiarska
L=1,2m
Uwaga:
Ze wzgl du na wykonywanie
ocieplenia cian zewn trznych,
wypu ci dachówk na 12 cm
68
42
1 096
przemurowanie
komina
nad po aci dachow
z ceg y klinkierowej
70
95
przemurowanie
komina
nad po aci dachow
z ceg y klinkierowej
stalowa awa
kominiarska
L=1,0m
wy az dachowy
45x75
wietlik
45x75
548
wymiana pokrycia na
dachówke karpiówke
wy az dachowy
45x75
SIEDNI BUDYNEK
wietlik
45x75
otek przeciw niegowy
RS Ø
rynna Ø
spadek min 5mm/m
1 287
UWAGI:
1. Wszystkie roboty nale y wykona zgodnie z Polskimi Normami, Warunkami
technicznymi wykonania i odbioru robót budowlano-monta owych opracowanych
przez Instytut Techniki Budowlanej oraz zasadami wiedzy i sztuki budowlanej.
2. Wszystkie wymiary i rz dne nale y sprawdzi na budowie.
3. Dopuszcza si zastosowanie materia ów zamiennych pod warunkiem, e posiadaj
one cechy nie gorsze jako ciowo i technicznie od wskazanych w projekcie.
4. Wszystkie u yte materia y budowlane i wyko czeniowe powinny posiada
odpowienie atesty i aprobaty do stosowania w budownictwie.
5. Wszelkiego rodzaju w tpliwo ci wykonania obiektu rowi za nale y przed
rozpocz ciem budowy w ramach nadzoru autorskiego.
PROJEKTOWANIE I NADZÓR W BUDOWNICTWIE
mgr in . Jaros aw Miko ajczyk
59-216 Kunice, P tnów Legnicki 10A
tel. kom. 502-296-226
Projekt
zmian
Obiekt
Budynek mieszkalny wielorodzinny
Adres
Chojnów, ul. Kolejowa 25
Tyt. rys.
Rzut dachu
Skala
Projektant
mgr in . arch.
Data
upr. proj. nr
230/87/Uw
W. SERAFINOWICZ
Bran a
arch.-konstr.
1:100
01 2014
Rys. nr
Rys. opracowa
mgr in .
J. MIKO AJCZYK
B2
40
120
nak adka
3,8x16
dachówka karpiówka
ata 60x60
kontr aty 25x60
folia dachowa
krokwie
325
5
74
miecz
12x8
40°
dachówka karpiówka
ata 60x60
kontr aty 25x60
folia dachowa
krokwie
istn. p atew
+ nak adka 2x5x16
167
dachówka karpiówka
ata 60x60
kontr aty 25x60
folia dachowa
krokwie/we na mineralna gr. 15cm
istn. sufit
istn. krokiew
+ nak adka 2x4,5x14
up
18x13
74
6
kleszcz
13x15
miecz
12x8
up
18x13
dachówka karpiówka
ata 60x60
kontr aty 25x60
folia dachowa
krokwie/we na mineralna gr. 15cm
istn. sufit
40°
otek przeciw niegowy
otek przeciw niegowy
rynna Ø
spadek min 5mm/m
rynna Ø
spadek min 5mm/m
styropian gr. 5cm
+ tynk mineralny
drobnoziarnisty
styropian gr. 5cm
+ tynk mineralny drobnoziarnisty
styropian gr. 12cm
+ tynk mineralny drobnoziarnisty
styropian gr. 12cm
+ tynk mineralny drobnoziarnisty
PROJEKTOWANIE I NADZÓR W BUDOWNICTWIE
mgr in . Jaros aw Miko ajczyk
59-216 Kunice, P tnów Legnicki 10A
tel. kom. 502-296-226
Projekt
zmian
Obiekt
Budynek mieszkalny wielorodzinny
Adres
Chojnów, ul. Kolejowa 25
Tyt. rys.
Przekrój A-A
Skala
Projektant
mgr in . arch.
Data
upr. proj. nr
230/87/Uw
W. SERAFINOWICZ
Bran a
arch.-konstr.
1:100
01 2014
Rys. nr
Rys. opracowa
mgr in .
J. MIKO AJCZYK
B3