D:\Edyta\Aktualna\TOM IV.2D-PW

Transkrypt

D:\Edyta\Aktualna\TOM IV.2D-PW
TRYSKACZE- ZESTAWIENIE MATERIAŁÓW
Lp,
Nazwa
1 kolana stalowe krótkie czarne o śr, nominalnej 100 mm
2 kolana stalowe krótkie czarne o śr, nominalnej 150 mm
Jm
szt
szt
3
4
5
6
Łącznik z żeliwa ciąg, ocynk, fi 65 mm
Łączniki z żeliwa ciąg, ocynk, fi 100 mm
Łączniki z żeliwa ciąg, ocynk, fi 80 mm
łączniki z żeliwa ciągliwego ocynkowane o śr, nominalnej 40 mm
szt
szt
szt
szt,
4
245
28
41
Łuk gład,2,5MPa,R-2,4D fi 100 mm
Łuk gład,2,5MPa,R=2-4D fi 150 mm
Masa uszczelniająca CP 601 Hilti
Masa uszczelniająca CP 644 Hilti
Okablowanie w pompowni
Rozdzielacz w pompowni, z rur o śr, nominalnej do 150 mm
Rura stalowa czarna fi 101,6/4,0 mm
Rura stalowa czarna fi 159,0/4,5 mm
Rura z/szwem ocynk,gwint,fi 100 mm
Rura z/szwem ocynk,gwint,fi 80 mm
rury stalowe ze szwem przewodowe gwintowane ocynkowane o śr, nominalnej 40 mm
szt
szt
kg
kg
szt
szt
m
m
m
m
m
2
4
7
7
1
3
5
7
347
47
59
7
8
9
10
11
12
13
14
15
16
17
18 rury stalowe ze szwem przewodowe gwintowane ocynkowane o śr,nominalnej 65 mm
m
19
20
21
22
23
24
25
26
27
28
29
30
31
szt
szt
szt
szt
szt
szt
szt
szt,
kpl
kg
szt
szt
szt
Tryskacz boczny DN-15 typ K-80 wraz z rurami DN25-DN50 i zawieszeniami
Tryskacz wiszący DN-15 typ K-75 wraz z rurami DN25-DN50 i zawieszeniami
Tuleja osłonowa
Uchwyt do rurociąg,poziom,fi 100 mm
Uchwyt do rurociąg,poziom,fi 150 mm
Uchwyt do rurociąg,poziom,fi 65 mm
Uchwyt do rurociąg,poziom,fi 80 mm
uchwyty do rur o śr, nominalnej 40 mm
Układ elektr, do sterowania zaworu
Wełna mineralna (luzem) - gat, I
Zawory płuczące DN 50 mm
Zawór DELUGE DN100 - sterowanie elektryczne
Zraszacz DN-10 typ K-57 wraz z rurami DN25-DN50 i zawieszeniami
-1-
Ilość
2
4
6
40
70
56
120
3
2
16
24
1
30
2
1
28
Spis treści:
1. Informacje ogólne………………………………………………………………………………...
1.1.Stan istniejący…………………………………………………………………………………...
1.2.Powierzchnie objęte ochroną zraszaczową i tryskaczowa…………………………………
1.2.1.klasyfikacja pożarowa………………………………………………………………………...
2. Instalacja tryskaczowa…………………………………………………………………………..
2.1.Opis systemu…………………………………………………………………………………….
2.1.1.Zbiornik zapasu magazynujący wodę do celów ochrony przeciwpożarowej za pomocą
instalacji tryskaczowej…………………………………………………………………
2.1.2.Pompy do celów ochrony przeciwpożarowej………………………………………………
2.1.3.Instalacja tryskaczowa modyfikacje…………………………………………………………
2.1.4.Instalacja tryskaczowa – nowoprojektowana………………………………………………
2.1.5.Instalacja zraszaczowa – nowoprojektowana……………………………………………...
2.1.6.Monitoring instalacji tryskaczowej i zraszaczowej…………………………………………
2.1.7.Sterowanie instalacji zraszaczowej…………………………………………………………
2.1.8.Mocowania rurociągów……………………………………………………………………….
2.1.9. Próby ciśnieniowe i płukanie rurociągów instalacji tryskaczowej i zraszaczowej ……
2.1.10. Odbiór robót instalacji zraszaczy i tryskaczy……………………………………………
2.2.Bilans wody………………………………………………………………………………………
2.2.1.Zapotrzebowanie na wodę dla instalacji tryskaczowej……………………………………
2.2.2.Obliczenia hydrauliczne………………………………………………………………………
3. Zestawienie materiałów
3
3
3
3
4
4
5
5
6
6
7
7
8
8
9
9
10
10
11
13
Część rysunkowa:
Rys. nr IT 1
Rys. nr IT 2
Rys. nr IT 3
Rys. nr IT 4
Rys. nr IT 5
Rys. nr IT 6
Rys. nr IT 7
Rys. nr IT 8
Rys. nr IT 9
Schemat instalacji zraszaczowej
Rozplanowanie instalacji poziom -1
Rozplanowanie instalacji poziom 0
Rozplanowanie instalacji poziom +2
Rozplanowanie instalacji poziom +4, +18.30
Rozplanowanie urządzeń w pompowni p.poż
Aksonometria obliczeniowa estrady
Aksonometria obliczeniowa szatnie
Rozmieszczenie podpór pod instalację sanitarne w kanale
technologicznym
Skala 1:100
Skala 1:100
Skala 1:100
Skala 1:100
Skala 1:25
Skala 1:50
2
1.
Informacje ogólne.
Przedmiotem opracowania jest projekt budowlany modernizacji instalacji zraszaczowej
i tryskaczowej w budynku Pałacu Kultury i Nauki w Warszawie, wg wymagań normy PN-EN
12845:2008.
Dokumentacja instalacji tryskaczowej została wykonana zgodnie z normą PN-EN
12845:2008, natomiast dokumentacja instalacji zraszaczowej została wykonana zgodnie z
projektem normy PN Pr/M-51541:2000.
Niniejsze opracowanie obejmuje sprawdzenie zgodności wykonanej poprzednio instalacji z
obecnie obowiązująca normą PN-EN 12845:2008 oraz zmiany projektowe wynikające z
aktualnych przepisów przeciwpożarowych i zmian aranżacyjnych budynku.
1.1. Stan istniejący.
W budynku Pałacu Kultury i Nauki w Warszawie zaprojektowano i częściowo wykonano wg
wymagań normy PN-51540:1997 instalacje tryskaczową i zraszaczową. W 2005 roku
wykonano następujące elementy:
Ochronę tryskaczową kuluarów balkonów i przylegających pomieszczeń biurowych
Pompownie pożarową wyposażona w pompę Grundfos typ 66-200 o mocy 30kW i
parametrach znamionowych Q=1900l/min H=5.5bar.
Podłączenie pompowni do zbiornika zapasu wody 400m3
Awaryjne zasilanie instalacji za pośrednictwem nasad dla straży pożarnej
1.2. Powierzchnie objęte ochroną zraszaczową i tryskaczową.
Ochroną zraszaczową objęta jest cała powierzchnia estrady, natomiast ochroną
tryskaczową są objęte szatnia i kuluary balkonów i przylegających pomieszczeń biurowych
(istniejąca instalacja)
1.2.1. Klasyfikacja pożarowa.
Zgodnie z postanowieniami PN-EN 12845:2008, część obiektu chronioną przez
instalację tryskaczową, kwalifikuje pod względem zagrożenia pożarowego:
Kuluary i pom. biurowe
Zagrożenie pożarowe
Intensywność zraszania
(mm/min)
Powierzchnia działania (m2)
Powierzchnia chroniona przez
1 tryskacz (m2)
Typ tryskacza
Wysokość składowania (m)
Czas działania (min)
Minimalne ciś. na tryskaczu
LH
Szatnie
na poziomie 0
LH
2.25
2.25
84
Max. 21 stojące
Max. 17 przyścienne
Rozpylający
DN10
---30
0.7 bar
84
Max. 21 stojące
Max. 17 przyścienne
Rozpylający
DN10
---30
0.7 bar
3
Zgodnie z postanowieniami PN Pr/M-51541:2000, część obiektu chronioną przez
zraszaczową, kwalifikuje się:
Intensywność zraszania (mm/min)
Powierzchnia działania (m2)
Powierzchnia chroniona przez
1 zraszacz (m2)
Typ zraszacza
Wysokość składowania (m)
Czas działania (min)
Minimalne ciś. na zraszaczu
2.
estrada
7.5
Całe pomieszczenie
Max. 9
Rozpylający
DN10 K57
---10
0.5 bar
Instalacja tryskaczowa.
Instalacja tryskaczowa i zraszaczowa stanowi jedną całość jako stałe urządzenie gaśnicze.
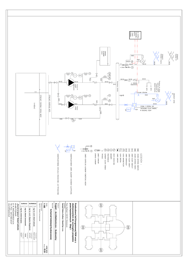
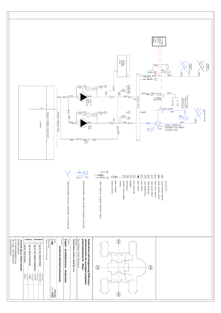
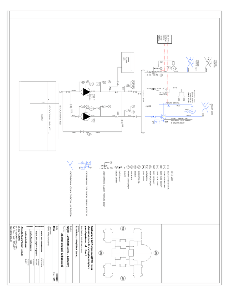
2.1. Opis systemu.
Dla zasilania instalacji tryskaczowej systemu wodnego i zraszaczowego zastosowano źródło
niewyczerpywalne czyli istniejąca pompa pobierające wodę ze zbiornika zapasu.
Zaprojektowano całkowicie obliczony hydraulicznie system, ochrony przeciwpożarowej za
pomocą stałego urządzenia gaśniczego tryskaczowego i zraszaczowego. Urządzenie to
składa się z następujących głównych elementów:
Betonowy zbiornik zapasu wody do celów ochrony przeciwpożarowej za pomocą
instalacji tryskaczowej i zraszaczowej o pojemności 400 m3 - element istniejący nie
będzie modyfikowany
Pompa tryskaczowa oraz pompą Jockey stanowiące razem zestaw pompowy – źródło
niewyczerpywane - element istniejący nie będzie modyfikowany
Stanowiska kontrolno alarmowe tryskaczowego systemu wodnego - element istniejący
nie będzie modyfikowany
Sieci przewodów rurowych rozdzielczych i rozprowadzających zasilających tryskacze
poziomu +1 - element istniejący będzie modyfikowany w zakresie trasy prowadzenia
rurociągów –etap 1/etap2
Tryskacze (PN16) o średnicy DN10, k57 RTI<50 i temp. otwarcia 680C rozmieszczone
zgodnie
z przepisami na obszarze poziomu +11- element istniejący będzie modyfikowany w
zakresie wymiany tryskaczy- etap2
Tryskacze (PN16) o średnicy DN10, k57 RTI<50 i temp. otwarcia 680C rozmieszczone
zgodnie
z przepisami na obszarze Szatni poziomu 0 - nowoprojektowany element-etap1
Stanowisko zalewowe systemu zraszaczowego obsługującego estradę nowoprojektowany element -etap1
Sieci przewodów rurowych rozdzielczych i rozprowadzających zasilających zraszacze nowoprojektowany element- etap1
4
Sieci przewodów rurowych rozdzielczych i rozprowadzających zasilających tryskacze w
szatniach poziomu 0 - nowoprojektowany element-etap1
Zraszacze (PN16) o średnicy DN10, k57 rozmieszczone zgodnie z przepisami na
obszarze estrady - nowoprojektowany element- etap1
2.1.1. Zbiornik zapasu magazynujący wodę do celów ochrony
przeciwpożarowej za pomocą instalacji tryskaczowej.
W sąsiedztwie pompowni, usytuowany jest betonowy zbiornik zapasu o pojemności
czynnej 400 m3 dla instalacji tryskaczowej. Zbiornik ten spełnia wymagania normy PN-EN
12845:2008 pod względem ilości gromadzonej wody. Zbiornik oraz rurociągi pomiędzy
pompownią a zbiornikiem nie będą modyfikowane.
2.1.2. Pompy do celów ochrony przeciwpożarowej.
W sąsiedztwie zbiornika na poziomie -1 jest zlokalizowane pomieszczenie pompowni
przeciwpożarowej dla całego, stałego urządzenia gaśniczego.
W pompowni przeciwpożarowej stałego urządzenia gaśniczego znajduje się zestaw
pompowy, zasilający instalację tryskaczową wyposażony w:
P1 - pompa nr 1 (główna) dla zasilania Stałego Urządzenia Gaśniczego
J - pompa Jockey uzupełniająca niewielkie ubytki wody/ciśnienia w instalacji
tryskaczowej i zraszaczowej pobierająca wodę ze zbiornika zapasu za pośrednictwem
przewodów ssawnych pompy głównej i rezerwowej.
Szafę sterowniczą obsługująca pompy P1 i J
Pompy te stanowią niewyczerpywalne źródło wody dla całego stałego urządzenia
gaśniczego.
Wszystkie pompy są uruchamiane automatycznie przy pomocy włączników ciśnieniowych,
umieszczonych na kolektorze tłocznym, pomiędzy zaworem zwrotnym a zasuwą odcinającą
– sterowanie pompami nie będzie modyfikowane.
Zbiornik wraz z pompami będzie zapewniał odpowiednią ilość wody do gaszenia pożaru dla
instalacji tryskaczowej i zraszaczowej.
Decydujące o parametrach pracy instalacji tryskaczowej dane projektowe wyliczono zgodnie
z postanowieniami PN-EN 12845:2008.
Decydujące o parametrach pracy instalacji zraszaczowej dane projektowe wyliczono zgodnie
z postanowieniami PN Pr/M-51541:2000.
W pomieszczeniu pompowni przeciwpożarowej należy zapewnić temperaturę min
+4 C dla prawidłowej pracy pomp elektrycznych. Nasady dla straży pożarnej (2xDN75),
zapewniające dodatkowe zasilanie instalacji - w przypadku braku wody w zbiorniku zapasu są podłączone rurociągiem DN100 do rozdzielacza wody (po stronie tłocznej) w pompowni
przeciwpożarowej. Usytuowane one są na elewacji na poziomie tarasu. Lokalizacja nasad
nie ulega zmianie, jedynie trasa rurociągu pomiędzy pompownią a nasadami ulega zmianie
na skutek kolizji rurociągu z nową aranżacją poziomu -1 - etap2
Na rozdzielaczu tłocznym znajduje się 1 kompletne wodne stanowiska kontrolno-alarmowe,
wraz z orurowaniem i włącznikiem alarmowym ciśnienia, podłączonym na linii gongu
alarmowego – stanowisko to jest wyposażone w gong alarmowy.
o
5
Rozdzielacz ten w obszarze pompowni tryskaczowej będzie rozbudowany tak, aby można
było zasilić 4 dodatkowe stanowiska zalewowe do obsługi estrady.
Pompowania tryskaczowa musi być wydzielona pożarowo od pozostałych
pomieszczeń budynku w klasie odporności REI120 z przejściami pożarowymi – wymiana
drzwi i włazu technicznego (kl EI60) oraz montaż przejść szczelnych instalacji.
2.1.3. Instalacja tryskaczowa – modyfikacje.
Zasilanie instalacji tryskaczowej, pomiędzy pompownią a chronionym obszarem, jest
obecnie realizowane za pomocą rurociągu DN100. Zmianie ulega jedynie trasa rurociągu na
skutek kolizji rurociągu z nową aranżacją poziomu -1 – etap2
Instalacja tryskaczowa nie będzie modyfikowana w zakresie rozmieszczenia tryskaczy oraz
rurociągów w chronionym obszarze. Modyfikacji będą podlegały jedynie głowice
tryskaczowe, projektuje się ich wymianę na główki o takich samych parametrach
technicznych, jedynie zmieniając szybkość ich działania – etap2
Należy zastosować główki tryskaczowe szybkiego reagowania.
2.1.4. Instalacja tryskaczowa – nowoprojektowana –etap1
Zasilanie instalacji tryskaczowej w obszarze szatni na poziomie 0 będzie
zrealizowana z istniejącego zaworu kontrolno alarmowego za pośrednictwem istniejącej sieci
tryskaczowej. W obszarze szatni rozmieszczono tryskacze przyścienne do ochrony
przechowywanych w tym obszarze okryć.
Należy tam zastosować tryskacze przyścienne DN10, K57 szybkiego reagowania (PN16).
Przewody rozdzielcze i rozprowadzające instalacji tryskaczowej będą wykonane z rur
stalowych ocynkowanych.
Przewody rurowe należy wykonywać zgodnie z:
Dla średnic DN25 – DN50 (instalacja tryskaczowa) z rur stalowych ocynkowanych ze
szwem odpowiadającym wymaganiom normy PN 98/H-74200, łączonych na gwint
Dla średnic DN65 – DN100 (instalacja tryskaczowa) z rur stalowych ocynkowanych ze
szwem odpowiadającym wymaganiom normy PN 98/H-74200, łączonych za pomocą
szybkozłączek lub kołnierzy.
Tryskacze rozmieszczono zgodnie z:
Max. Pow. Chroniona przez 1 zraszacz
Średnica nominalna zraszacza
Max. Odległość pomiędzy zraszaczami
Min. Odległość pomiędzy zraszaczami
Max. Odległość od ściany
Max.Odległość od stropu
2.1.5.
[m2]
[mm]
[m]
[m]
[m]
[mm]
17.0
10
3.70
1.50
1.50
300
Instalacja zraszaczowa – nowoprojektowana- etap1
Zasilanie instalacji zraszaczowej ze źródła niewyczerpywalnego jest realizowane za
pomocą pompy przeznaczonej dla tej instalacji. Zastosowano zraszaczowe sterowane
elektrycznie chroniące następujące obszar Estrady (E)
6
W instalacjach zraszaczowych przewidziano zraszacze (PN16), o średnicy dyszy DN10
(K=57).
Przewody rozdzielcze i rozprowadzające instalacji tryskaczowej będą wykonane z rur
stalowych ocynkowanych. Rurociągi będą układane ze spadkiem (0.2% rozdzielcze i 0.4%
rozprowadzające) w kierunku stanowiska zalewowego lub specjalnych odwodnień.
Przewody rurowe należy wykonywać zgodnie z:
Dla średnic DN25 – DN50 (instalacja zraszaczowa) z rur stalowych ocynkowanych ze
szwem odpowiadającym wymaganiom normy PN 98/H-74200, łączonych na gwint
Dla średnic DN65 – DN100 (instalacja zraszaczowa i tryskaczowa) z rur stalowych
ocynkowanych ze szwem odpowiadającym wymaganiom normy PN 98/H-74200,
łączonych za pomocą szybkozłączek lub kołnierzy
Przewody w pompowni instalacji zraszaczowej będą wykonane z rur stalowych czarnych.
Przewody rurowe należy wykonywać:
Dla średnic DN25 – DN50 (w pompowni przeciwpożarowej) z rur stalowych czarnych
ze szwem odpowiadającym wymaganiom normy PN 98/H-74200 łączonych na gwint
Dla średnic DN100 (w pompowni przeciwpożarowej) z rur stalowych czarnych ze
szwem odpowiadającym wymaganiom normy PN 98/H-74200 łączonych poprzez
spawanie, zastosowanie szybkozłączek lub kołnierzy
Dla średnic DN150 (w pompowni przeciwpożarowej) z rur stalowych czarnych bez
szwu, odpowiadającym wymaganiom normy PN 80/H-74219 łączonych poprzez
spawanie, zastosowanie szybkozłączek lub kołnierzy.
Zraszacze rozmieszczono zgodnie z:
Max. Pow. Chroniona przez 1 zraszacz
Średnica nominalna zraszacza
Max. Odległość pomiędzy zraszaczami
Min. Odległość pomiędzy zraszaczami
Max. Odległość od ściany
Max.Odległość od stropu
[m2]
[mm]
[m]
[m]
[m]
[mm]
9.0
10
3.70
1.50
1.50
300
2.1.6. Monitoring instalacji tryskaczowej i zraszaczowej.
Instalacja tryskaczowa i zraszaczowa nie będzie wyposażona w pełną samoczynną
instalację monitoringu stanów roboczych i niewłaściwych, zgodnie z PN-EN 12845:2008.
Przewiduje się jedynie następujące sygnały pożarowe: uruchomienie instalacji tryskaczowej
każdej sekcji, uruchomienie instalacji zraszaczowej każdej sekcji i uruchomienie pompy
głównej. Sygnały te należy przekazać do centrali pożarowej obiektu a następnie do Straży
Pożarnej.
2.1.7. Sterowanie instalacji zraszaczowej.
Instalacja zraszaczowa na obszarze estrady (E) będzie sterowana:
Automatycznie za pomocą czujek dymowych rozmieszczonych na obszarze estrady –
w przypadku zadziałania co najmniej 2 czujek dymowych
7
Ręcznie w przypadku naciśnięcia przycisku ROP zlokalizowanego na ścianie estrady.
Powyższe sterowanie musi być wykonane za pośrednictwem centrali pożarowej
obiektu, która prześle odpowiedni sygnał do zaworów zalewowych znajdujących się w
pompowni pożarowej. Szczegóły poza zakresem niniejszego opracowania.
Instalacja zraszaczowa będzie mogła być uruchomiona również z pomieszczenia pompowni
p. poż., gdzie będzie przewidziana odpowiednia armatura sterująca.
Miejsce usytuowania przycisków ROP (uruchamiających instalację) na etapie realizacji
zostanie skonsultowane z administratorem systemu.
Informacja o sterowaniu instalacji za pośrednictwem centrali pożarowej obiektu SAP tom XI i
systemu nadzoru Gemos tom XII
2.1.8. Mocowania rurociągów.
Mocowania rurociągów muszą spełniać poniższe warunki :
Średnica rur [mm]
25
32
40
50
65
80
100
150
Średnica rur [mm]
Minimalna nośność [kg]
125
125
125
125
145
175
250
440
Średnica minimalna prętów mocujących
gwintowanych i śrub [mm]
8
8
8
8
10
10
10
12
25
32
40
50
65
80
100
150
Odstęp pomiędzy tryskaczami i wspornikami powinien być zawarty, o ile to możliwe , między
30 a 40 cm i nigdy nie mniejszy niż 15 cm. ,
Rurociągi rozdzielcze i rozprowadzające mocowane będą z zachowaniem warunków:
max. odległość
max. odległość
max. odległość
max. odległość
max. odległość
miedzy
miedzy
miedzy
miedzy
miedzy
zawiesiami dla przewodu ≤DN40 wynosi 4m;
zawiesiami dla przewodu DN50 wynosi 5m;
zawiesiami dla przewodu DN65 wynosi 6m;
zawiesiami dla przewodu ≥DN80≤DN100 wynosi 7 m;
zawiesiami dla przewodu ≥DN125≤DN300 wynosi 8 m;
8
max. odległość między ostatnim zawiesiem i końcem rury DN25 wynosi 0.9m;
max. odległość między ostatnim zawiesiem i końcem rury DN40 i większej wynosi
1.2m.
W przypadku przekroczenia długości pomiędzy końcem rury a ostatnim zawiesiem, należy
przewód przedłużyć w celu założenia dodatkowego mocowania.
2.1.9. Próby ciśnieniowe i płukanie rurociągów instalacji tryskaczowej i
zraszaczowej.
Wszystkie przewody przed zamontowaniem tryskaczy, powinny być przepłukane.
Sprawdzenie szczelności przewodów instalacji tryskaczy i zraszaczy polega na
przeprowadzeniu wodnej próby hydrostatycznej, przy ciśnieniu 13,5 bara przez okres co
najmniej 2 godzin. W tym okresie nie może wystąpić spadek ciśnienia na instalacji oraz nie
mogą wystąpić żadne przecieki. Z próby szczelności należy sporządzić protokół.
2.1.10.
Odbiór robót instalacji tryskaczy i zraszaczy
Odbiory międzyoperacyjne należy przeprowadzić w stosunku do następujących robót:
_ przejścia dla przewodów przez ściany i stropy (umiejscowienie i wymiary
otworów);
_ bruzdy w ścianach: wymiary, czystość bruzd, zgodność z pionem i zgodność
z kierunkiem w przypadku minimalnych spadków odcinków poziomych.
Z odbiorów międzyoperacyjnych należy spisach protokół stwierdzający jakość
wykonania oraz przydatności robót i elementów do prawidłowego montażu. Po
przeprowadzeniu prób przewidzianych dla danego rodzaju robót należy dokonać końcowego
odbioru technicznego instalacji tryskaczowej.
W ramach odbioru końcowego należy:
_ sprawdzić zgodność wykonania z dokumentacja projektowa oraz ewentualnymi
zapisami w dzienniku budowy dotyczącymi zmian i odstępstw do dokumentacji
projektowej;
_ sprawdzić protokoły z odbiorów częściowych i realizacje postanowię
dotycząca usunięcia usterek;
_ sprawdzić aktualności dokumentacji projektowej;
_ wykonać próby szczelności dla instalacji tryskaczowej i zraszaczowej;
_ wykonać badanie armatury;
_ sprawdzić zgodność zastosowanych materiałów i wyrobów gotowych z
odpowiednimi normami;
_ sprawdzić drożność przewodów i armatury;
_ sprawdzić działanie urządzeń;
_ przeprowadzić kontrole urządzeń alarmowych;
_ sprawdzić ciśnienie wody w instalacji;
_ sprawdzić uziemienie instalacji tryskaczy
_ sprawdzić doprowadzenie prądu elektrycznego do wszystkich urządzeń;
_ sprawdzić sygnalizacje informującą o spadku poziomu wody w zbiorniku;
_ sprawdzić sygnalizacje informującą o uruchomieniu pompy głównej lub
rezerwowej.
Z przeprowadzonych badan odbiorczych należy sporządzić protokół. Jeżeli wynik
9
badania był negatywny, w protokole należy określić termin w którym armatura powinna być
przedstawiona do ponownych badan. Należy przekazać sygnał o uruchomieniu instalacji do
najbliżej jednostki Straży Pożarnej.
2.2. Bilans wody.
2.2.1. Zapotrzebowanie na wodę dla instalacji tryskaczowej.
Na potrzeby instalacji zraszaczowej przyjmujemy największa powierzchnie obsługiwana za
pomocą zraszaczy tj. estradę.
Wydajność pompy przejmuje się:
Q=152,7 m2 x 7.5 mm/min/m2 x 1.1 = 1260 l/min.
Objętość zbiornika dla instalacji zraszaczowej przyjmuje się:
V= Q x 10 min = 1260 l/min x 10min /1000 = 12,6m3
2.2.2. Obliczenia hydrauliczne.
Wydatek tryskacza i zraszacza obliczany zostanie z zależności:
q=K P0,5,
gdzie
K=57, dla zraszacza / tryskacza – DN10
P - ciśnienie przy wylocie dyszy [bar]
Do obliczeń strat ciśnienia w przewodach zastosowany został wzór Hazena-Williamsa:
∆p=6,05 x 105 x Q1.85 x C-1,85 x d-4,87 x l
gdzie:
Q - natężenie przepływu [l/min]
C - stała przepływu
d – rzeczywista średnica wewnętrzna przewodu [mm]
l - długość przewodu [m]
10