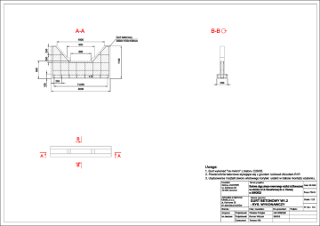
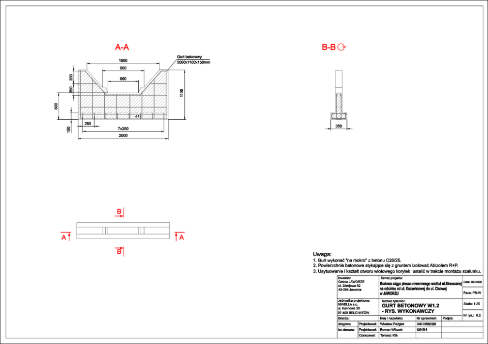
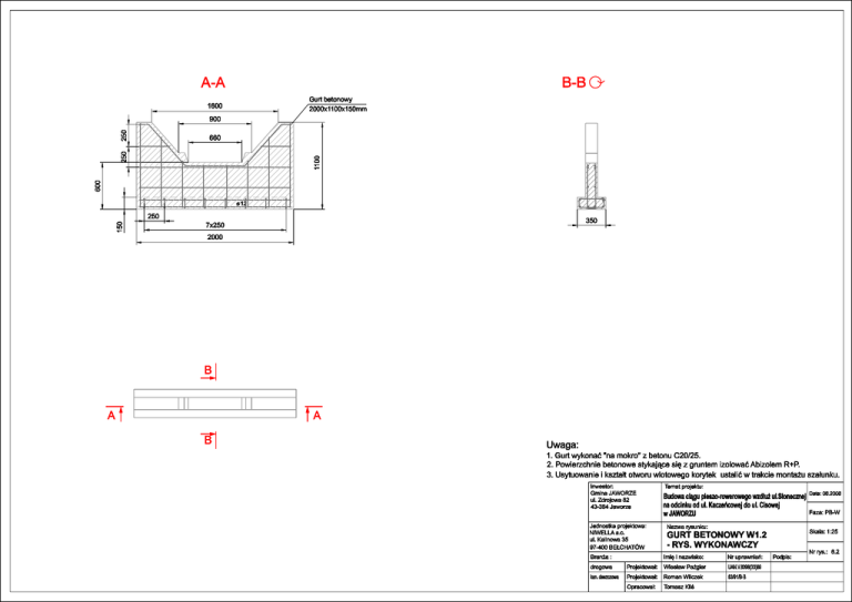
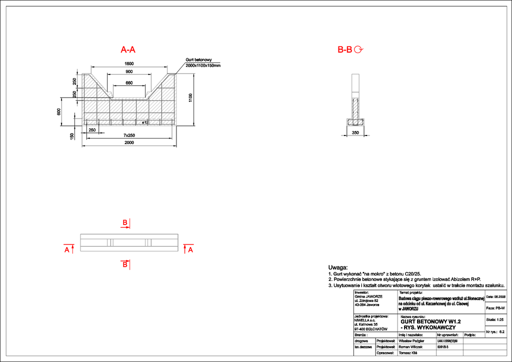
A-A B-B

Transkrypt

A-A B-B
A-A
B-B
Gurt betonowy
1600
2000x1100x150mm
250
900
600
1100
250
660
12
150
250
350
7x250
2000
B
A
A
B
Uwaga:
1. Gurt wykona "na mokro" z betonu C20/25.
2. Powierzchnie betonowe stykaj„ce siŒ z gruntem izolowa Abizolem R+P.
3. Usytuowanie i kszta‡t otworu wlotowego korytek ustali w trakcie monta¿u sza‡unku.
Inwestor:
Temat projektu:
Gmina JAWORZE
ul. Zdrojowa 82
43-384 Jaworze
Budowa ci„gu pieszo-rowerowego wzd‡u¿ ul.S‡onecznej
na odcinku od ul. Kaczeæcowej do ul. Cisowej
Faza: PB-W
w JAWORZU
Jednostka projektowa:
Nazwa rysunku:
NIWELLA s.c.
GURT BETONOWY W1.2
ul. Kalinowa 35
97-400 BE£CHATW
Data: 08.2008
Skala: 1:25
- RYS. WYKONAWCZY
Nr rys.: 6.2
Bran¿a :
ImiŒ i nazwisko:
Nr uprawnieæ:
drogowa
Projektowa‡:
Wies‡aw Pagier
UAN.V.8398(33)89
kan. deszczowa
Projektowa‡:
Roman Wilczek
63/91/B-B
Opracowa‡:
Tomasz Kli
Podpis: