rys 3 - MPGM

Transkrypt

rys 3 - MPGM
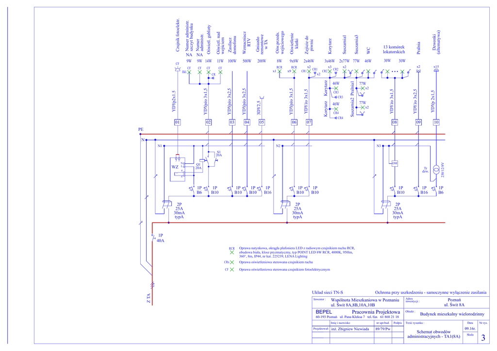
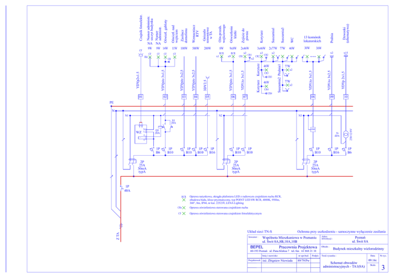
02
03
04
05
06
46W
46W
CR3
CR3
CR4
CR4
Pralnia
Dzwonki
(alternatywa)
CR2
x2
x15
30W
77W
x2
77W
x2
07
08
YDYp 2x1,5
YDYŜo 3x1,5
3DY2,5
YDYpŜo 3x1,5
YDYp2x1.5
01
YDYpŜo 3x1,5
CR
CR1
CR2
x2
30W
x2
YDYŜo 3x2,5
CR1
46W
x3
Korytarz
RCR
x9
3x46W 2x77W 77W
YDYŜo 3x1,5
Zejście do
piwnic
x1
WC
Oświetlenie
klatki
RCR
CF
CF
IIkl.
x2
Suszarnia3
Ośw.przeds.
wejściowego
2x46W
Suszarnia2 Pralnia1
Gniazdo
remontowe
w TA
9x8W
Suszarnia1
Wzmacniacz
RTV
8W
Korytarz
Zasilacz
domofonu
200W
Korytarz
CF
500W
YDYpŜo 3x2,5
CF
11W 100W
YDYpŜo 3x2,5
CF
Oświetl. nad
wejściem
Oświetl. gabloty
Numer administr.
szczyt budynku
Numer
administr.
Czujnik fotoelektr.
NA NA
9W 9W 14W
13 komórek
lokatorskich
09
10
PE
N
N1
N2
N3
S1
20A
3 5
N
L
4
OM
Q1
20A
Tr
dzw.
230/12/8V
WZ
1P
B16
1P
B6
6
1P
B6
1P
B10
1P
B10
2P
25A
30mA
typA
1P
B10
1P
B16
1P
B10
1P
B10
1P
B10
2P
25A
30mA
typA
2P
25A
30mA
typA
1P
40A
Z TA
RCR
Oprawa natynkowa, okrągła plafoniera LED z radiowym czujnikiem ruchu RCR,
obudowa biała, klosz pryzmatyczny, typ POINT LED 8W RCR, 4000K, 950lm,
360°, 8m, IP44, nr kat. 225239, LENA Lighting
CRx
Oprawa oświetleniowa sterowana czujnikiem ruchu
CF
Oprawa oświetleniowa sterowana czujnikiem fotoelektrycznym
Ochrona przy uszkodzeniu - samoczynne wyłączenie zasilania
Układ sieci TN-S
Inwestor :
Wspólnota Mieszkaniowa w Poznaniu
ul. Świt 8A,8B,10A,10B
BEPEL
Pracownia Projektowa
60-193 Poznań ul. Pana Kleksa 7 tel./fax 61 868 21 18
Imię i nazwisko
Projektował:
inŜ. Zbigniew Niewiada
nr upr.bud.
89/79/Pw
Podpis
Adres
inwestycji :
Obiekt :
Poznań
ul. Świt 8A
Budynek mieszkalny wielorodzinny
Treść rysunku :
Schemat obwodów
administracyjnych - TA1(8A)
Data
Nr rys.
09.16r.
Skala
3