UPS moduł baterii - Urząd Miasta Józefowa

Transkrypt

UPS moduł baterii - Urząd Miasta Józefowa
zasilacz redundantny
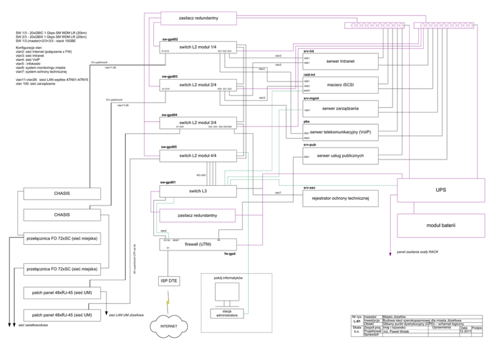
SW 1/3 - 20xGBIC 1 Gbps SM WDM LR (20km)
SW 2/3 - 20xGBIX 1 Gbps SM WDM LR (20km)
SW 1/3 (master)+2/3+3/3 - stack 10GBE
Konfiguracja vlan:
vlan2: sieć Internet (połączenie z FW)
vlan3: sieć Intranet
vlan4: sieć VoIP
vlan5 : infokioski
vlan6: system monitoringu miasta
vlan7: system ochrony technicznej
sw-gpd02
switch L2 moduł 1/4
srv-int
G21 G22 G23
G1-G15
vlan3
GBE1
15 x patchcord
vlan3
vlan11-26
serwer Intranet
GBE1
vlan3
raid-int
sw-gpd03
vlan11-vlan26: sieci LAN węzłów ATN01-ATN15
vlan 100: sieć zarządzania
GBE1
switch L2 moduł 2/4
G1-G15
macierz iSCSI
GBE2
G20 G21 G22
MGMT
vlan3
15 x patchcord
srv-mgmt
vlan11-26
serwer zarządzania
GBE1
sw-gpd04
pbx
switch L2 moduł 3/4
G1-G40
G42 G43 G44 G45 G46
GBE1
serwer telekomunikacyjny (VoIP)
GBE2
srv-pub
sw-gpd05
switch L2 moduł 4/4
serwer usług publicznych
GBE1
4G LAG
sw-gpd01
srv-sec
switch L3
CHASIS
UPS
vlan7
rejestrator ochrony technicznej
CHASIS
zasilacz redundantny
moduł baterii
vlan2
przełącznica FO 72xSC (sieć miejska)
60 x patchcord UTP cat 5e
przełącznica FO 72xSC (sieć miejska)
G3 G4
G6
MGMT
firewall (UTM)
G1
panel zasilania szafy RACK
fw-gpd
ISP DTE
pokój informatyków
patch panel 48xRJ-45 (sieć UM)
patch panel 48xRJ-45 (sieć UM)
sieć swiatłowodowa
stacja
administratora
sieć LAN UM Józefowa
INTERNET
Nr rys. Inwestor
L-01 Inwestycja
Obiekt
Skala Zespół proj.
b.s. Projektował
Sprawdził
Miasto Józefów
Budowa sieci szerokopasmowej dla miasta Józefowa
Główny punkt dystrybucyjny (GPD) – schemat logiczny
Uprawnienia
Imię i nazwisko
Data Podpis
12.2011
inż. Paweł Wolak