1 1. Koło zębate, (wykonanie B, z modułu 4) – bez piasty

Transkrypt

1 1. Koło zębate, (wykonanie B, z modułu 4) – bez piasty
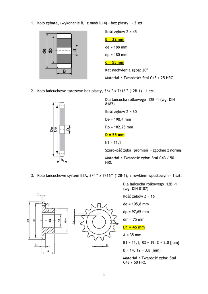
1. Koło zębate, (wykonanie B, z modułu 4) – bez piasty - 2 szt.
Ilość zębów Z = 45
B = 32 mm
de = 188 mm
dp = 180 mm
d = 55 mm
Kąt nachylenia zęba: 20o
Materiał / Twardość: Stal C43 / 25 HRC
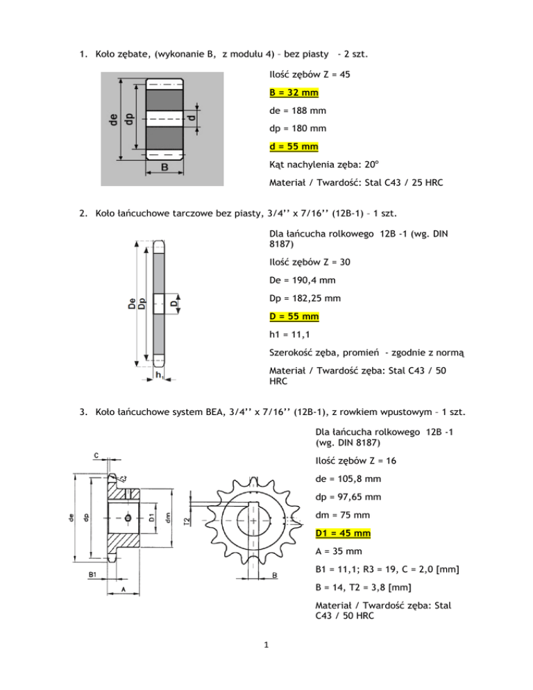
2. Koło łańcuchowe tarczowe bez piasty, 3/4’’ x 7/16’’ (12B-1) – 1 szt.
Dla łańcucha rolkowego 12B -1 (wg. DIN
8187)
Ilość zębów Z = 30
De = 190,4 mm
Dp = 182,25 mm
D = 55 mm
h1 = 11,1
Szerokość zęba, promień - zgodnie z normą
Materiał / Twardość zęba: Stal C43 / 50
HRC
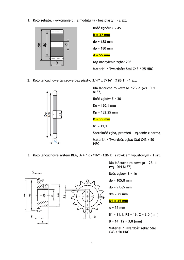
3. Koło łańcuchowe system BEA, 3/4’’ x 7/16’’ (12B-1), z rowkiem wpustowym – 1 szt.
Dla łańcucha rolkowego 12B -1
(wg. DIN 8187)
Ilość zębów Z = 16
de = 105,8 mm
dp = 97,65 mm
dm = 75 mm
D1 = 45 mm
A = 35 mm
B1 = 11,1; R3 = 19, C = 2,0 [mm]
B = 14, T2 = 3,8 [mm]
Materiał / Twardość zęba: Stal
C43 / 50 HRC
1
4. Koło łańcuchowe dwurzędowe z piastą 1/2 ‘’ x 5/16’’ (08 B – 2) – 4 szt.
Dla łańcucha rolkowego 08 B-2 (wg. DIN
8187)
Ilość zębów Z = 40
de = 166,7 mm
dp = 161,87
dm = 110 mm
D2 = 55 mm
b1 = 7 mm
B2 = 21 mm
A = 40 mm
Materiał / Twardość zęba: Stal C43 / 50
HRC
2