ppo pg pg SALA Łóżko 1 Łóżko 2 SALA +WC łazienka psz

Transkrypt

ppo pg pg SALA Łóżko 1 Łóżko 2 SALA +WC łazienka psz
Varomed
®
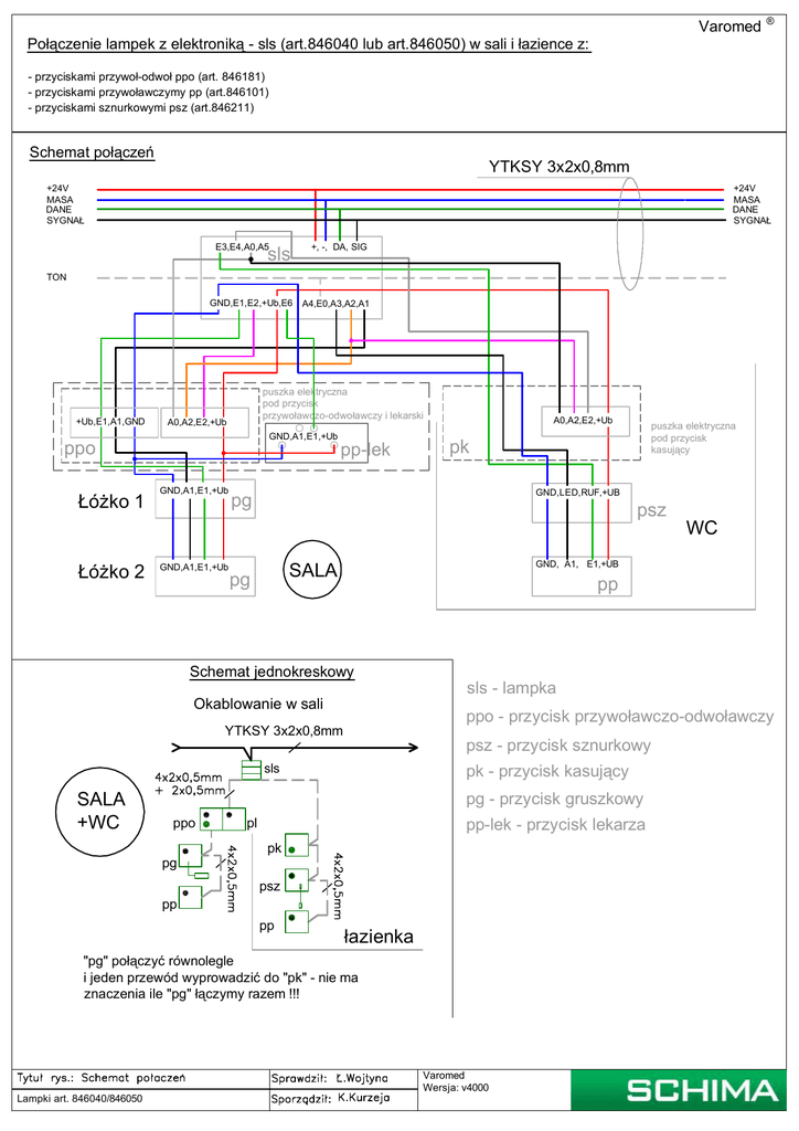
Połączenie lampek z elektroniką - sls (art.846040 lub art.846050) w sali i łazience z:
- przyciskami przywoł-odwoł ppo (art. 846181)
- przyciskami przywoławczymy pp (art.846101)
- przyciskami sznurkowymi psz (art.846211)
Schemat połączeń
YTKSY 3x2x0,8mm
+24V
MASA
DANE
SYGNAŁ
+24V
MASA
DANE
SYGNAŁ
sls
+, -, DA, SIG
GND,E1,E2,+Ub,E6
A4,E0,A3,A2,A1
E3,E4,A0,A5
TON
+Ub,E1,A1,GND
puszka elektryczna
pod przycisk
przywoławczo-odwoławczy i lekarski
A0,A2,E2,+Ub
GND,A1,E1,+Ub
ppo
Łóżko 1
pp-lek
GND,A1,E1,+Ub
A0,A2,E2,+Ub
puszka elektryczna
pod przycisk
kasujący
pk
GND,LED,RUF,+UB
pg
psz
WC
Łóżko 2
GND,A1,E1,+Ub
GND, A1, E1,+UB
SALA
pg
pp
Schemat jednokreskowy
sls - lampka
Okablowanie w sali
ppo - przycisk przywoławczo-odwoławczy
YTKSY 3x2x0,8mm
psz - przycisk sznurkowy
sls
SALA
+WC
pk - przycisk kasujący
pg - przycisk gruszkowy
ppo
pl
pp-lek - przycisk lekarza
pk
pg
psz
pp
pp
łazienka
"pg" połączyć równolegle
i jeden przewód wyprowadzić do "pk" - nie ma
znaczenia ile "pg" łączymy razem !!!
Varomed
Wersja: v4000
Lampki art. 846040/846050