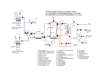
schemat instalacji z pompą ciepła i CWU dla

Transkrypt

schemat instalacji z pompą ciepła i CWU dla
18
TYPOWY SCHEMAT INSTALACJI Z POMPĄ CIEPŁA
DLA OGRZEWANIA I PODGRZEWANIA WODY UŻYTKOWEJ
DLA OBIEKTÓW O DUŻYM ZAPOTRZEBOWANIU NA CIEPŁO
21
17
14
20
19
16
27
4
c.w.u.
ZB
z kolektora gruntowego
(na zewn ątrz)
23
2
24
P DZ
1
22
29
T CWU
WP
9
ZCW
11
7
PC
5
28
21
17
P CWU
T CO
P GZ
25
26
31
8
zimna woda
30
3
20
12
13
obieg
grzewczy
15
1 - pompa ciepła (PC)
2 - pompa dolnego źródła ciepła (PDZ )
3 - pompa dolnego źródła ciepła (PGZ )
4 - pompa c.w.u. (P CWU)
5 - pompa c.w.u. (PCWU )
6 - pompa c.o. (PCO )
7 - zbiornik buforowy (ZB)
8 - zasobnik c.w.u. (ZCW)
9 - czujnik temperatury wody dla
centralnego ogrzewania (T CO )
10 - czujnik temperatury ciepłej
wody u żytkowej (TCWU )
11 - zawór bezpiecze ństwa
32
6
16
do kolektora gruntowego
(na zewn ątrz)
cyrkulacja
c.w.u.
12 - ciśnieniowe naczynie przeponowe
13 - manometr
14 - odpowietrznik
15 - zawór czerpalny
16 - rozdzielacz dolnego źródła ciepła
17 - manometr
18 - zawór bezpieczeństwa
19 - ciśnieniowe naczynie przeponowe
20 - termometr
21 - odpowietrznik
22 - zawór odcinający
23 - zawór czerpalny
24 - zawór czerpalny
25 - filtr siatkowy
26 - filtr siatkowy
27 - filtr siatkowy
28 - filtr siatkowy
29 - wymiennik płytowy
30 - manometr
31 - zawór bezpieczeństwa
32 - ciśnieniowe naczynie
przeponowe (opcja)