Wpust uliczny.dwg Model (1)

Transkrypt

Wpust uliczny.dwg Model (1)
173
A
C-C
C
6
A-A
50
B
B
C
1
5
2
3
4
7
A
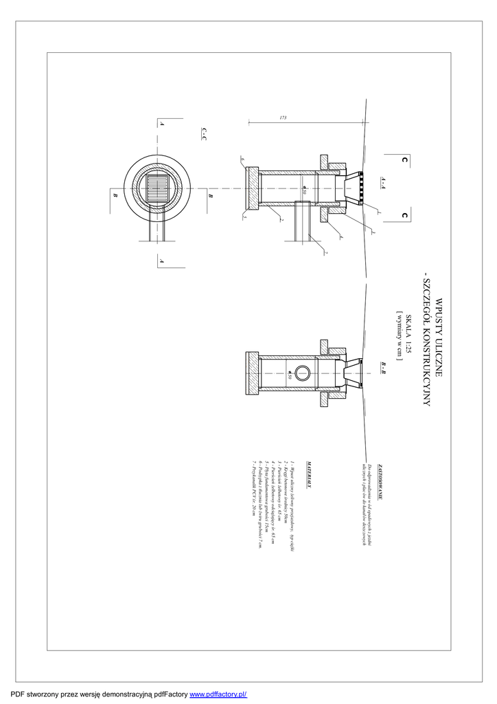
WPUSTY ULICZNE
- SZCZEGÓŁ KONSTRUKCYJNY
SKALA 1:25
[ wymiary w cm ]
B-B
50
ZASTOSOWANIE
Do odprowadzenia w ód opadowych z jezdni
ulicznych i plac ów do kanałów deszczowych
MATERIAŁY
1 - Wpust uliczny żeliwny przejazdowy, typ ciężki
2 - Kręgi betonowe średnicy 50cm
3 - Pierścień żelbetowy śr. 65 cm
4 - Pierścień żelbetowy odciążający śr. 65 cm
5 - Płyta fundamentowa grubości 15cm
6 - Podsypka z tłucznia lub żwiru grubości 7 cm.
7 - Przykanalik PCV śr. 20 cm
PDF stworzony przez wersję demonstracyjną pdfFactory www.pdffactory.pl/