Wzmacniacz akustyczny 2 x 10W

Transkrypt

Wzmacniacz akustyczny 2 x 10W
METODYKA PROJEKTOWANIA I TECHNIKI REALIZACJI
Układ
3
Wzmacniacz akustyczny 2 x 10W
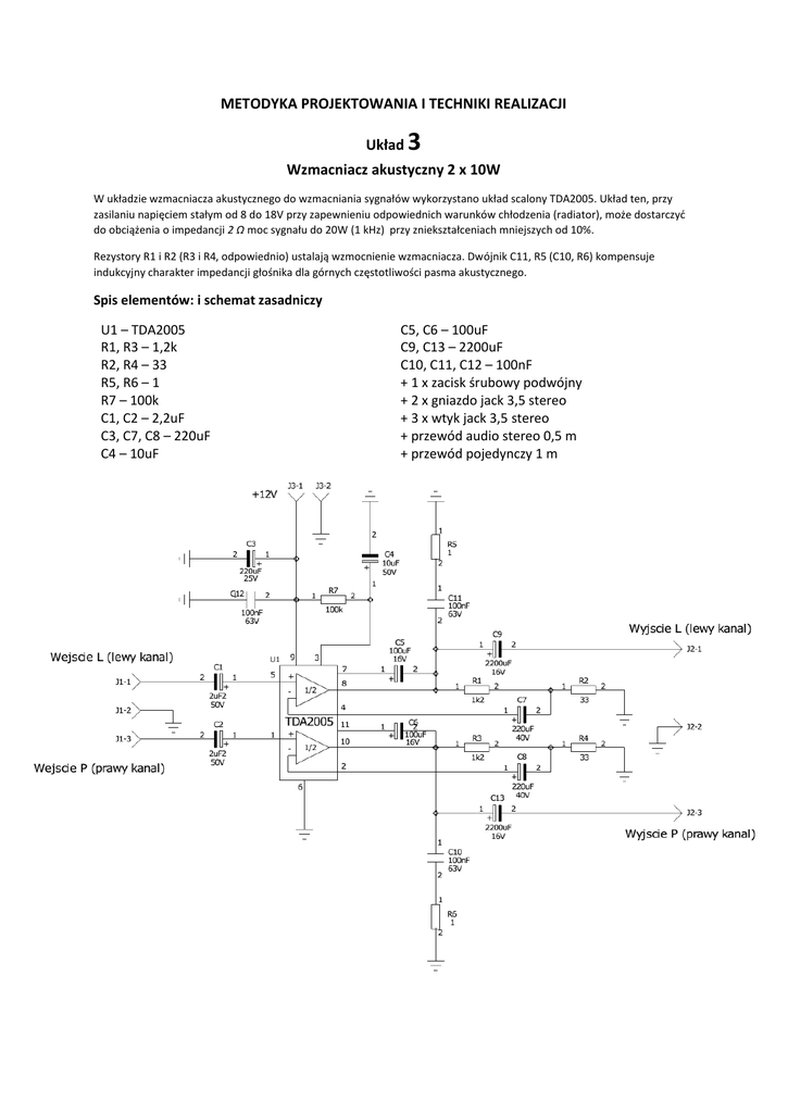
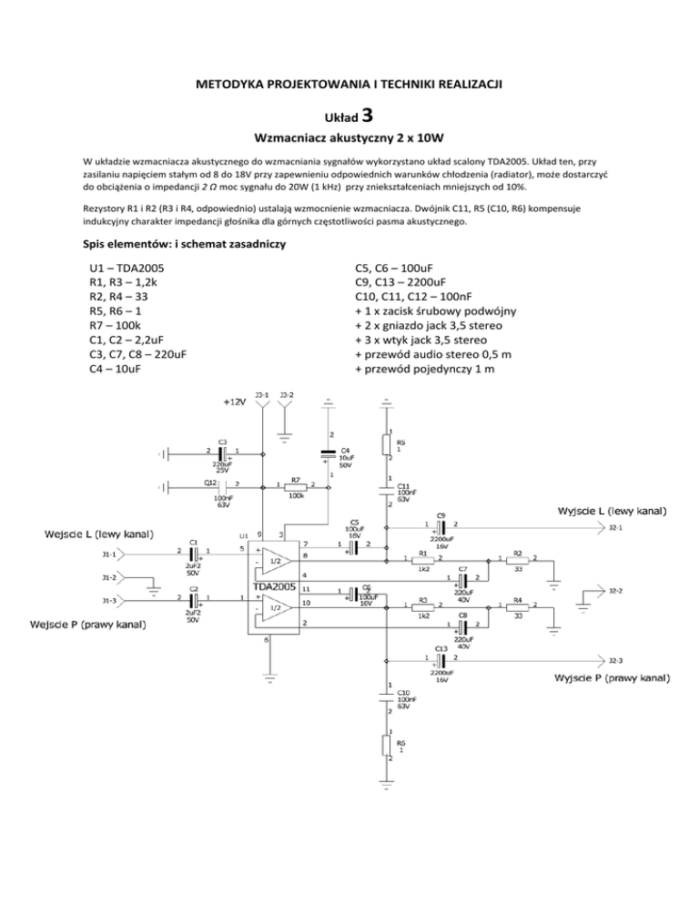
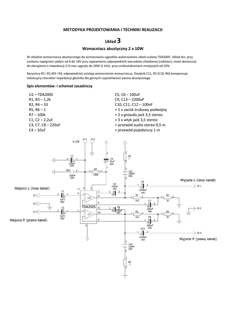
W układzie wzmacniacza akustycznego do wzmacniania sygnałów wykorzystano układ scalony TDA2005. Układ ten, przy
zasilaniu napięciem stałym od 8 do 18V przy zapewnieniu odpowiednich warunków chłodzenia (radiator), może dostarczyć
do obciążenia o impedancji 2 Ω moc sygnału do 20W (1 kHz) przy zniekształceniach mniejszych od 10%.
Rezystory R1 i R2 (R3 i R4, odpowiednio) ustalają wzmocnienie wzmacniacza. Dwójnik C11, R5 (C10, R6) kompensuje
indukcyjny charakter impedancji głośnika dla górnych częstotliwości pasma akustycznego.
Spis elementów: i schemat zasadniczy
U1 – TDA2005
R1, R3 – 1,2k
R2, R4 – 33
R5, R6 – 1
R7 – 100k
C1, C2 – 2,2uF
C3, C7, C8 – 220uF
C4 – 10uF
C5, C6 – 100uF
C9, C13 – 2200uF
C10, C11, C12 – 100nF
+ 1 x zacisk śrubowy podwójny
+ 2 x gniazdo jack 3,5 stereo
+ 3 x wtyk jack 3,5 stereo
+ przewód audio stereo 0,5 m
+ przewód pojedynczy 1 m