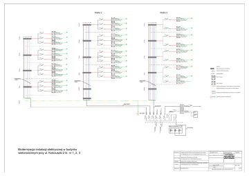
Modernizacja instalacji elektrycznej w budynku wielorodzinnym przy

Transkrypt

Modernizacja instalacji elektrycznej w budynku wielorodzinnym przy
Klatka 2
Klatka 3
lokal nr 24
licznik 1-fazowy
nr licznika: 25990343
nr licznika: 00118423
L1 L2 L3 N
PE
S301 C.......A
lokal nr 23
licznik 1-fazowy
TM
lokal nr 32
licznik 1-fazowy
TM
L1 L2 L3 N
TM
PE
nr licznika: 13946653
lokal nr 22
licznik 1-fazowy
lokal nr 31
licznik 1-fazowy
TM
nr licznika: 23403047
nr licznika: 00129484
lokal nr 12
licznik 1-fazowy
TM
lokal nr 21
licznik 1-fazowy
nr licznika: 00042224
L1 L2 L3 N
PE
lokal nr 11
licznik 1-fazowy
TM
lokal nr 20
licznik 1-fazowy 2-taryfowy
nr licznika: 00100233
TM
nr licznika: 28250599
TM
lokal nr 19
licznik 1-fazowy 2-taryfowy
nr licznika: 25939645
TM
lokal nr 29
licznik 1-fazowy
nr licznika: 12147824
lokal nr 9
licznik 1-fazowy 2-taryfowy
lokal nr 18
licznik 1-fazowy 2-taryfowy
nr licznika: 00100234
lokal nr 28
licznik 1-fazowy 2-taryfowy
TM
TM
nr licznika: 28250795
nr licznika: 12042082
TM
S303 B.......A
nr licznika: 21031607
lokal nr 7
licznik 1-fazowy
TM
TM
nr licznika: 16907092
lokal nr 8
licznik 1-fazowy
TM
lokal nr 30
licznik 1-fazowy
nr licznika: 26182797
TM
nr licznika: 23042935
lokal nr 10
licznik 1-fazowy
TM
lokal nr 17
licznik 3-fazowy
TM
nr licznika: 21003269
TM
lokal nr 16
licznik 1-fazowy
nr licznika: 00118420
lokal nr 27
licznik 1-fazowy
TM
TM
nr licznika: 00100235
nr licznika: 00118421
lokal nr 6
licznik 1-fazowy
TM
lokal nr 15
licznik 1-fazowy
nr licznikowa: 00116643
lokal nr 5
licznik 1-fazowy 2-taryfowy
S301 C......A
nr licznika: 12042428
lokal nr 4
licznik 1-fazowy 2-taryfowy
lokal nr 14
licznik 1-fazowy
TM
lokal nr 13
licznik 1-fazowy
TM
S303 C.......A
zasilanie PEC
licznik 3-fazowy
licznik 3-fazowy
nr licznika:
PARTER
TM
PARTER
TM
nr licznika: 00118424
lokal nr 1
licznik 1-fazowy 2-taryfowy
licznik 1-fazowy
nr licznika: 00118425
nr licznika: 3652731
lokal nr 2
licznik 1-fazowy
TM
lokal nr 25
licznik 1-fazowy
TM
nr licznika: 27590863
lokal nr 3
licznik 3-fazowy 2-taryfowy
listwa zaciskowa np. LZ 5x35/16/O
nr licznika: 18960177
TM
nr licznika: 13878722
S303 C.......A
Legenda:
nr licznika: 12557432
nr licznika: 12637800
TM
TM
lokal nr 26
licznik 1-fazowy 2-taryfowy
TM
nr licznika: 12622131
przewody pionu elektrycznego
(L1,L2,L3,N,PE)
PARTER
uziemienie przewodu ochronnego PE
S301 B10A
licznik 1-fazowy
nr licznika 00132485
zasilanie lokalu
licznik 1-fazowy
administracyjny
nr licznika 00132485
S301 FR 20A
PEC
S301 C20A
S303 C100A
zasilanie lokalu
S303 C100A
zasilanie
klatki nr 3
S303 C100A
zasilanie
klatki nr 2
S303 C100A
S303 C100A
zasilanie
klatki nr 1
S301 B10A
instalacja
administracyjna
klatek
schodowych
piwnicy
S303 C100A
S303 C100A
zasilanie lokalu
zasilanie lokalu
A
A
A
Modernizacja instalacji elektrycznej w budynku
PROJEKTANCI:
Wykonawca
UPRAWNIENIA:
PODPIS:
MAZ/0589/POOE/12
INWESTOR:
OBIEKT:
Schemat proj. instalacji elektrycznej
TEMAT:
data: IX-2013
skala: ELEKTRYCZNA
PROJEKT BUDOWLANO-WYKONAWCZY
RYS. NR
2A